WOLF-Garten Expert Expert 96.160 H 13AG91WF650 (2013) Mähwerk F (38"/96cm) Ersatzteile
Mähwerk F (38"/96cm) 13AG91WF650 (2013)

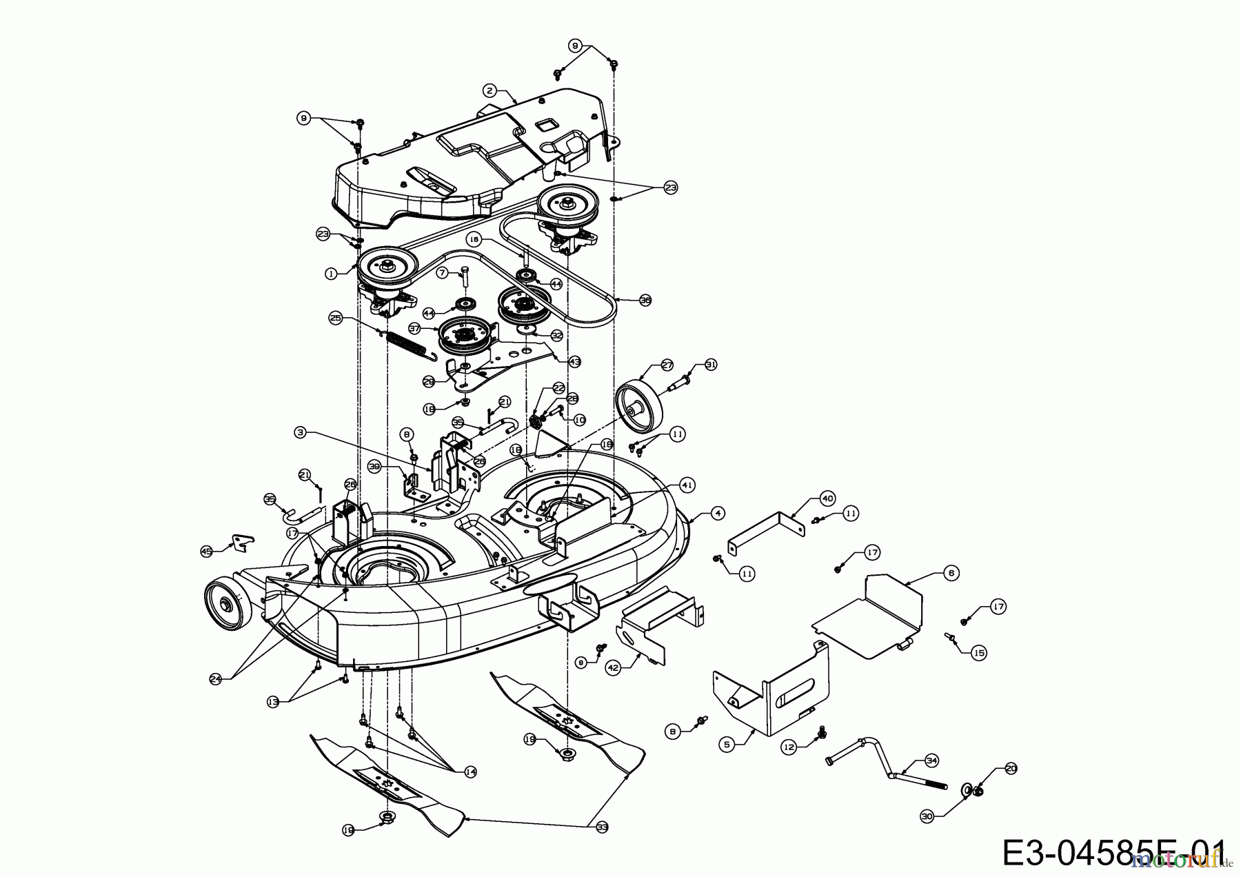
Hier finden Sie die Ersatzteilzeichnung für WOLF-Garten Expert Rasentraktoren Expert 96.160 H 13AG91WF650 (2013) Mähwerk F (38"/96cm). Wählen Sie das benötigte Ersatzteil aus der Ersatzteilliste Ihres WOLF-Garten Expert Gerätes aus und bestellen Sie einfach online. Viele WOLF-Garten Expert Ersatzteile halten wir ständig in unserem Lager für Sie bereit.


Qualitätsmanagement
Informieren Sie uns, wenn Sie einen Fehler gefunden haben.




























