WOLF-Garten Expert Expert 122.240 H 13II91WJ650 (2015) Motorzubehör Ersatzteile
Motorzubehör 13II91WJ650 (2015)

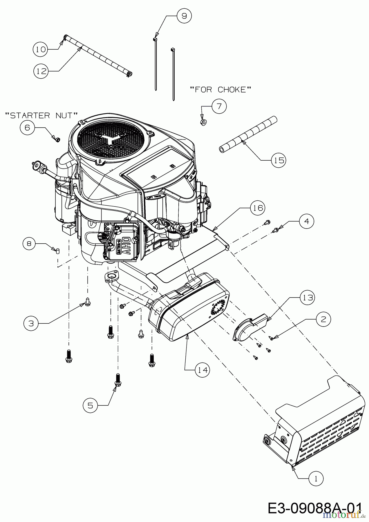
Hier finden Sie die Ersatzteilzeichnung für WOLF-Garten Expert Rasentraktoren Expert 122.240 H 13II91WJ650 (2015) Motorzubehör. Wählen Sie das benötigte Ersatzteil aus der Ersatzteilliste Ihres WOLF-Garten Expert Gerätes aus und bestellen Sie einfach online. Viele WOLF-Garten Expert Ersatzteile halten wir ständig in unserem Lager für Sie bereit.


Qualitätsmanagement
Informieren Sie uns, wenn Sie einen Fehler gefunden haben.







