WOLF-Garten Expert Expert 122.240 H 13AI91WJ650 (2012) Armaturenbrett Ersatzteile
Armaturenbrett 13AI91WJ650 (2012)

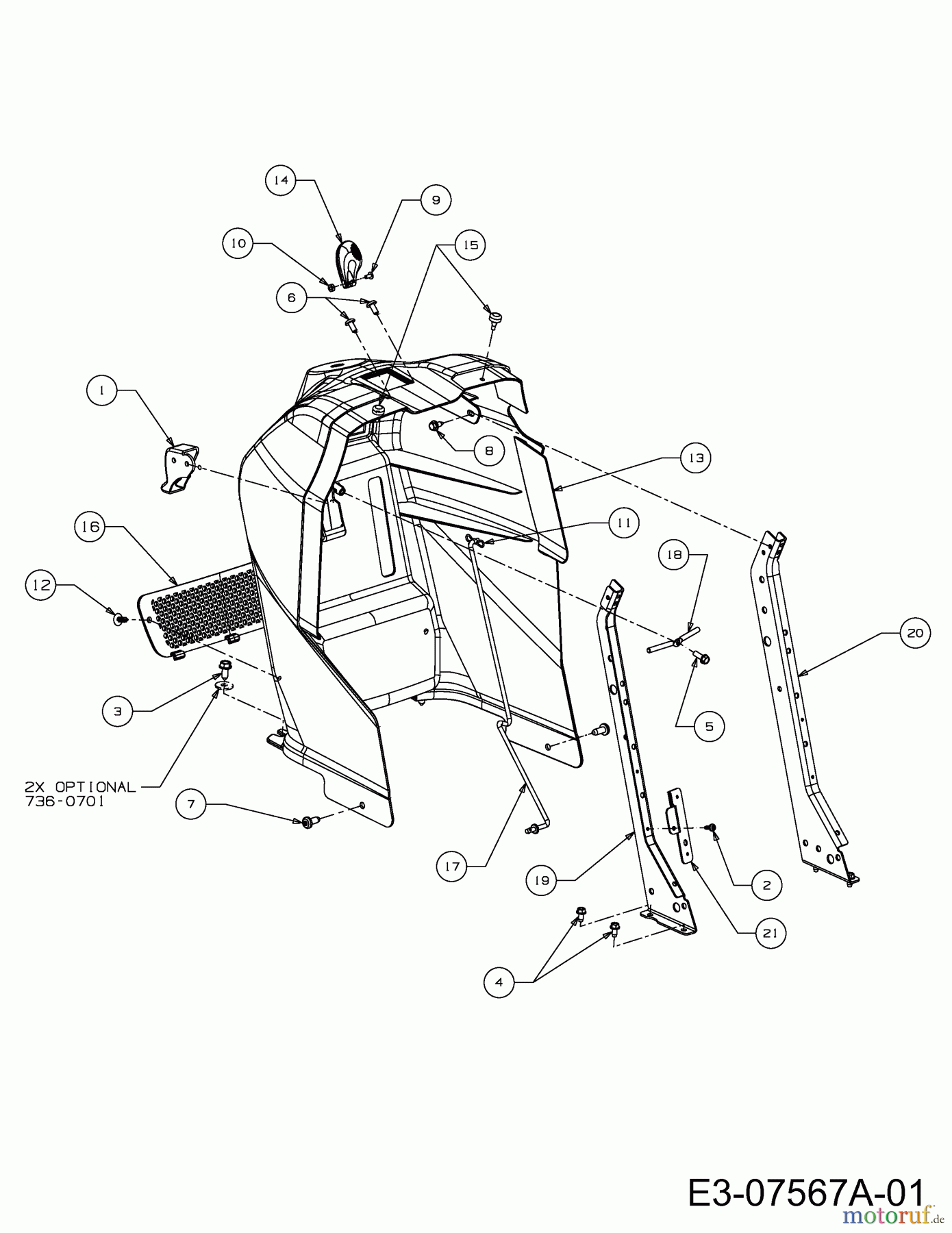
Hier finden Sie die Ersatzteilzeichnung für WOLF-Garten Expert Rasentraktoren Expert 122.240 H 13AI91WJ650 (2012) Armaturenbrett. Wählen Sie das benötigte Ersatzteil aus der Ersatzteilliste Ihres WOLF-Garten Expert Gerätes aus und bestellen Sie einfach online. Viele WOLF-Garten Expert Ersatzteile halten wir ständig in unserem Lager für Sie bereit.


Qualitätsmanagement
Informieren Sie uns, wenn Sie einen Fehler gefunden haben.









