Qualcast LT 125-92 13HH765E639 (2014) Grasfangvorrichtung Ersatzteile
Grasfangvorrichtung 13HH765E639 (2014)

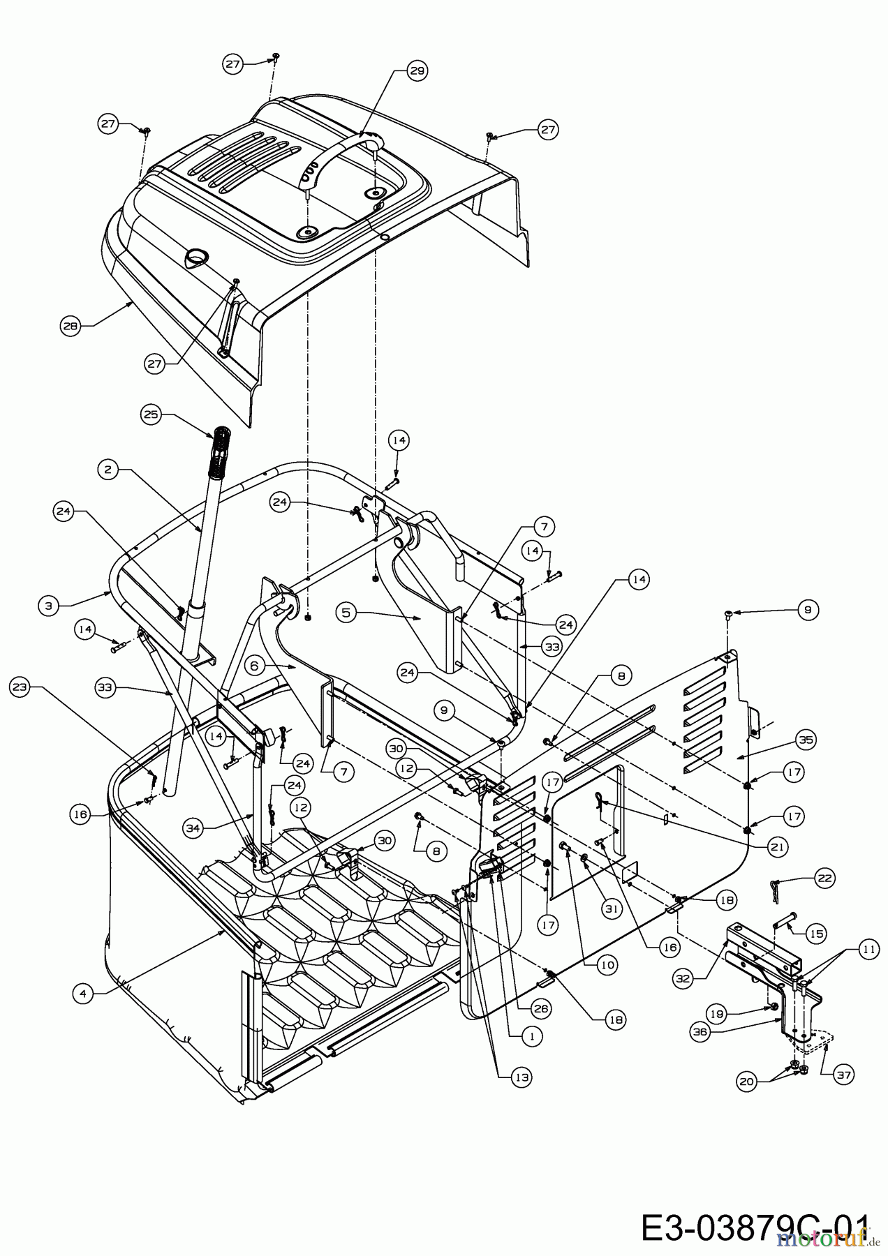
Hier finden Sie die Ersatzteilzeichnung für Qualcast Rasentraktoren LT 125-92 13HH765E639 (2014) Grasfangvorrichtung. Wählen Sie das benötigte Ersatzteil aus der Ersatzteilliste Ihres Qualcast Gerätes aus und bestellen Sie einfach online. Viele Qualcast Ersatzteile halten wir ständig in unserem Lager für Sie bereit.


Qualitätsmanagement
Informieren Sie uns, wenn Sie einen Fehler gefunden haben.














