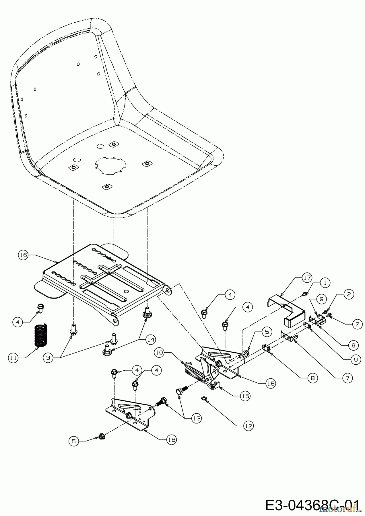
B Power BT 155-92 AH 2 13HM71KE648 (2014) Sitzträger Ersatzteile
Sitzträger 13HM71KE648 (2014)

Hier finden Sie die Ersatzteilzeichnung für B Power Rasentraktoren BT 155-92 AH 2 13HM71KE648 (2014) Sitzträger. Wählen Sie das benötigte Ersatzteil aus der Ersatzteilliste Ihres B Power Gerätes aus und bestellen Sie einfach online. Viele B Power Ersatzteile halten wir ständig in unserem Lager für Sie bereit.


Qualitätsmanagement
Informieren Sie uns, wenn Sie einen Fehler gefunden haben.