Champ CHAMP 25-105 13AI517N679 (2010) Schaltplan Ersatzteile
Schaltplan 13AI517N679 (2010)

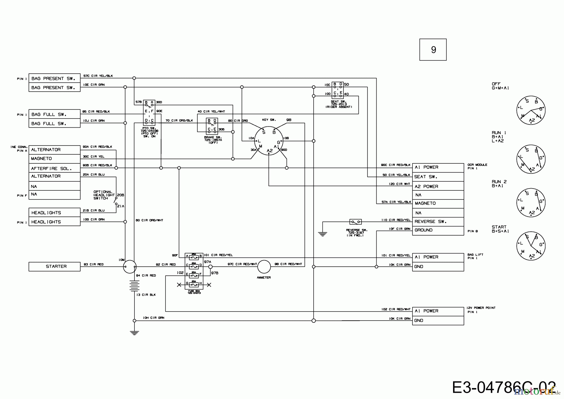
Hier finden Sie die Ersatzteilzeichnung für Champ Rasentraktoren CHAMP 25-105 13AI517N679 (2010) Schaltplan. Wählen Sie das benötigte Ersatzteil aus der Ersatzteilliste Ihres Champ Gerätes aus und bestellen Sie einfach online. Viele Champ Ersatzteile halten wir ständig in unserem Lager für Sie bereit.
| BildNr | Artikel Nummer | Bezeichnung | |
| 9 | 725-04629A | KABELBAUM:500:MAN:RR SOL:OCR: | |


Qualitätsmanagement
Informieren Sie uns, wenn Sie einen Fehler gefunden haben.

