Gutbrod G 550 56A-550-604 (1998) Getriebe Ersatzteile
Getriebe 56A-550-604 (1998)

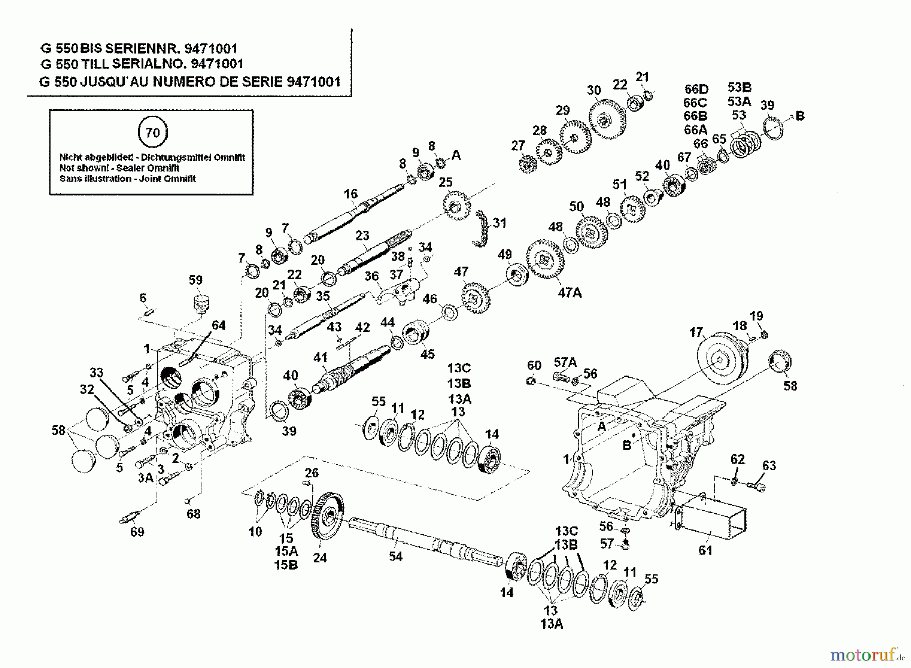
Hier finden Sie die Ersatzteilzeichnung für Gutbrod Einachser G 550 56A-550-604 (1998) Getriebe. Wählen Sie das benötigte Ersatzteil aus der Ersatzteilliste Ihres Gutbrod Gerätes aus und bestellen Sie einfach online. Viele Gutbrod Ersatzteile halten wir ständig in unserem Lager für Sie bereit.


Qualitätsmanagement
Informieren Sie uns, wenn Sie einen Fehler gefunden haben.

