Sentar SE 107 HK 2 13HG79KG663 (2014) Motorzubehör Ersatzteile
Motorzubehör 13HG79KG663 (2014)

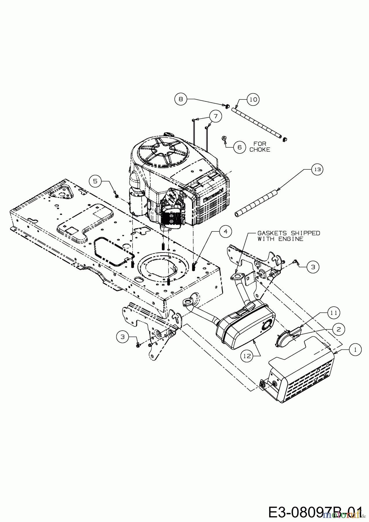
Hier finden Sie die Ersatzteilzeichnung für Sentar Rasentraktoren SE 107 HK 2 13HG79KG663 (2014) Motorzubehör. Wählen Sie das benötigte Ersatzteil aus der Ersatzteilliste Ihres Sentar Gerätes aus und bestellen Sie einfach online. Viele Sentar Ersatzteile halten wir ständig in unserem Lager für Sie bereit.


Qualitätsmanagement
Informieren Sie uns, wenn Sie einen Fehler gefunden haben.






