Rasor V 160 13HN93KF618 (2014) Schaltplan Ersatzteile
Schaltplan 13HN93KF618 (2014)

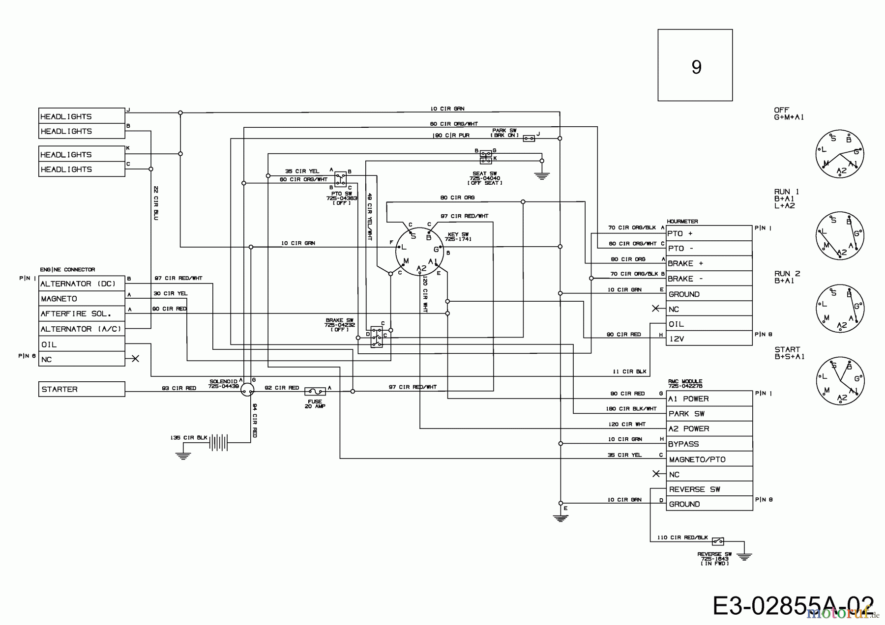
Hier finden Sie die Ersatzteilzeichnung für Rasor Rasentraktoren V 160 13HN93KF618 (2014) Schaltplan. Wählen Sie das benötigte Ersatzteil aus der Ersatzteilliste Ihres Rasor Gerätes aus und bestellen Sie einfach online. Viele Rasor Ersatzteile halten wir ständig in unserem Lager für Sie bereit.
| BildNr | Artikel Nummer | Bezeichnung | |
| 9 | 725-06186 | HAUPTKABELBAUM | |


Qualitätsmanagement
Informieren Sie uns, wenn Sie einen Fehler gefunden haben.

