Gartenland GL 13,5-92 T 13HH77GE640 (2015) Messer ab 16.01.2015 Ersatzteile
Messer ab 16.01.2015 13HH77GE640 (2015)

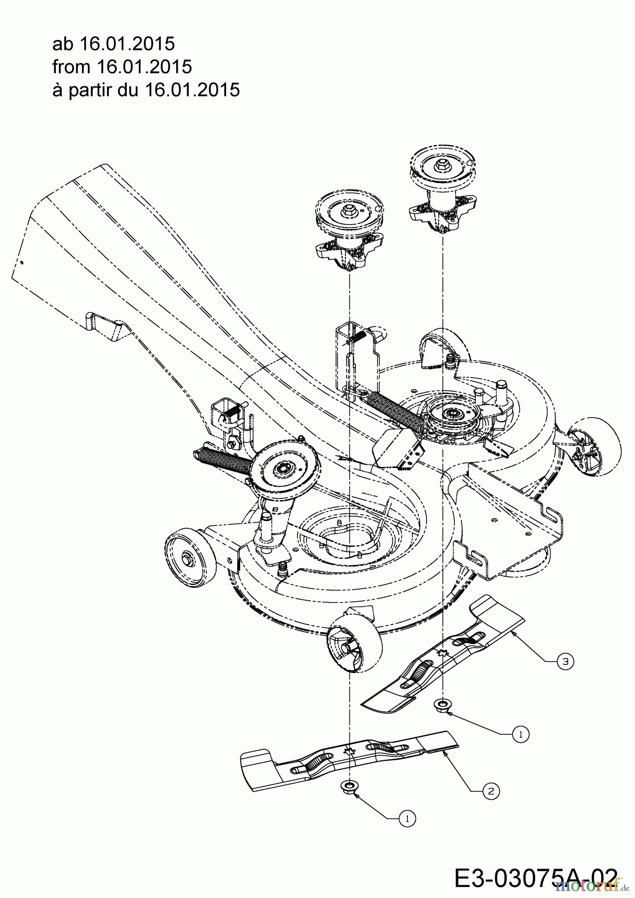
Hier finden Sie die Ersatzteilzeichnung für Gartenland Rasentraktoren GL 13,5-92 T 13HH77GE640 (2015) Messer ab 16.01.2015. Wählen Sie das benötigte Ersatzteil aus der Ersatzteilliste Ihres Gartenland Gerätes aus und bestellen Sie einfach online. Viele Gartenland Ersatzteile halten wir ständig in unserem Lager für Sie bereit.
| BildNr | Artikel Nummer | Bezeichnung | |
| 1 | ![]() | 712-0417A | 6KT-BUNDMUTTER:5/8-18 |
| 2 | ![]() | 742-0672 | MESSER RECHTS 18.40":HIGH LIFT |
| 3 | ![]() | 742-0673 | MESSER LINKS 18.40":HIGH LIFT |


Qualitätsmanagement
Informieren Sie uns, wenn Sie einen Fehler gefunden haben.




