Gartenland GL 13,5-92 T 13HH77GE640 (2015) Messer bis 15.01.2015 Ersatzteile
Messer bis 15.01.2015 13HH77GE640 (2015)

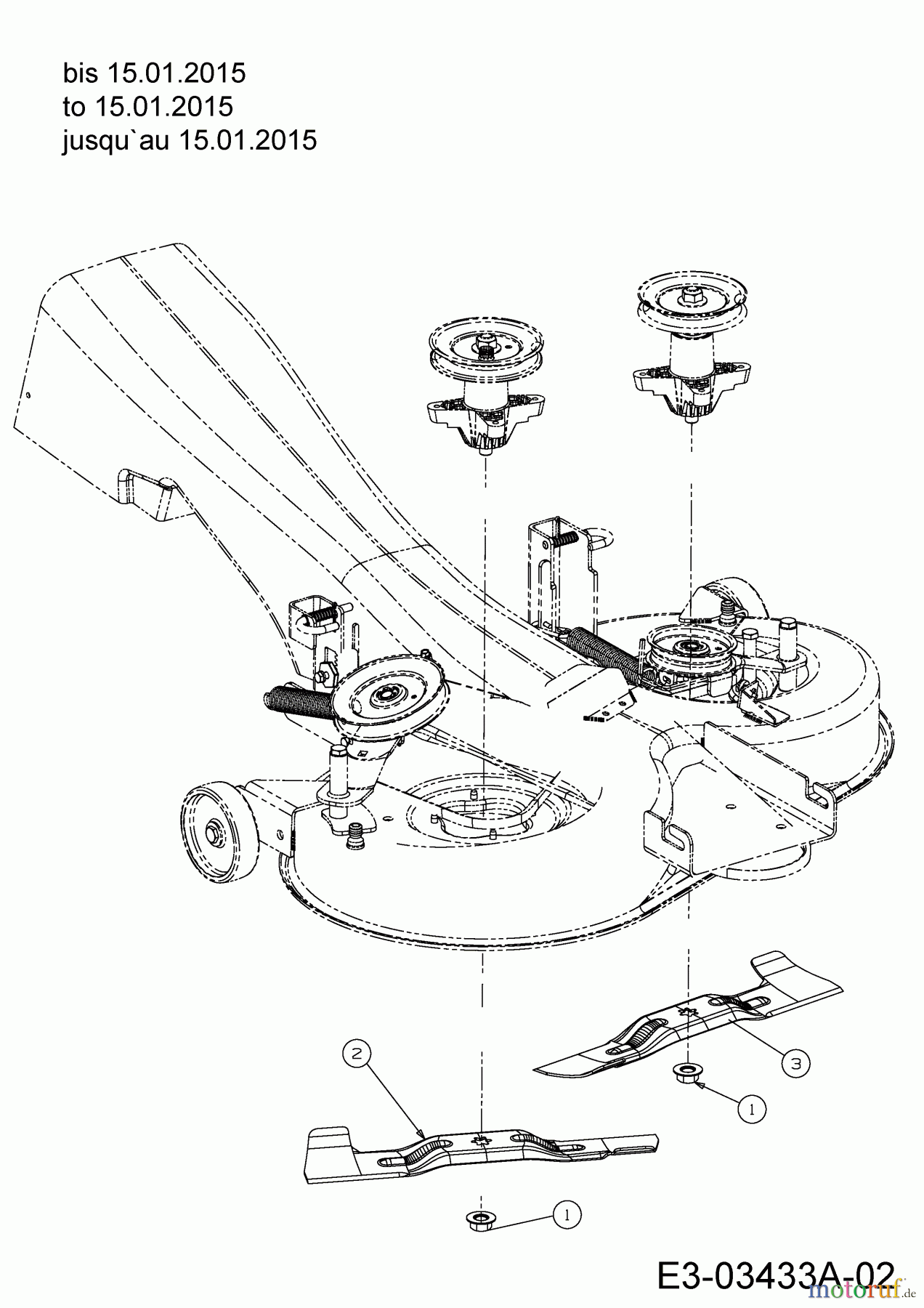
Hier finden Sie die Ersatzteilzeichnung für Gartenland Rasentraktoren GL 13,5-92 T 13HH77GE640 (2015) Messer bis 15.01.2015. Wählen Sie das benötigte Ersatzteil aus der Ersatzteilliste Ihres Gartenland Gerätes aus und bestellen Sie einfach online. Viele Gartenland Ersatzteile halten wir ständig in unserem Lager für Sie bereit.
| BildNr | Artikel Nummer | Bezeichnung | |
| 1 | ![]() | 712-0417A | 6KT-BUNDMUTTER:5/8-18 |
| 2 | ![]() | 742-04020A | MESSER RECHTS 18.40":LOW LIFT |
| 3 | ![]() | 742-04021A | MESSER LINKS 18.40":LOW LIFT |


Qualitätsmanagement
Informieren Sie uns, wenn Sie einen Fehler gefunden haben.




