Gutbrod BM 710 07515.01 (1988) Holm Ersatzteile
Holm 07515.01 (1988)

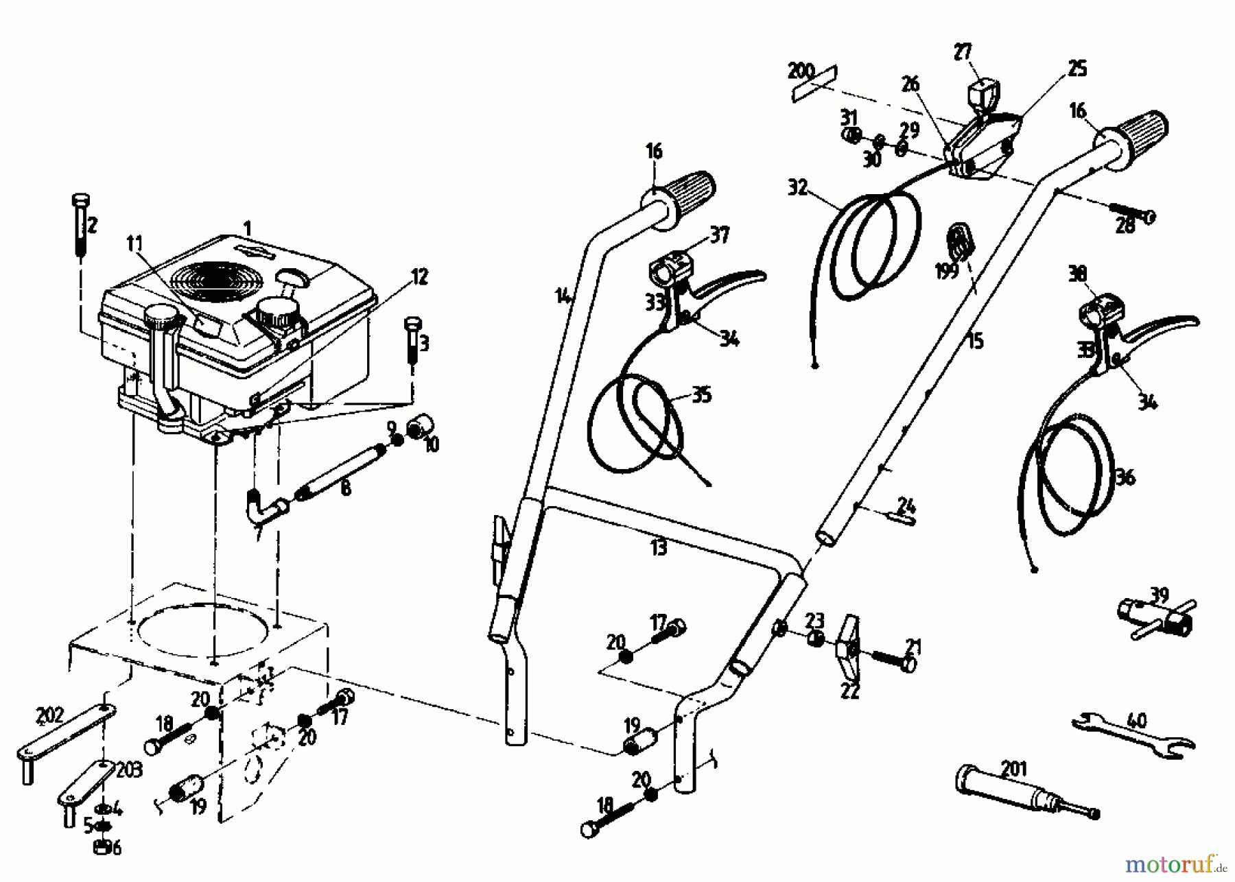
Hier finden Sie die Ersatzteilzeichnung für Gutbrod Balkenmäher BM 710 07515.01 (1988) Holm. Wählen Sie das benötigte Ersatzteil aus der Ersatzteilliste Ihres Gutbrod Gerätes aus und bestellen Sie einfach online. Viele Gutbrod Ersatzteile halten wir ständig in unserem Lager für Sie bereit.




