Gutbrod BM 700 07510.04 (1997) Oberholm Ersatzteile
Oberholm 07510.04 (1997)

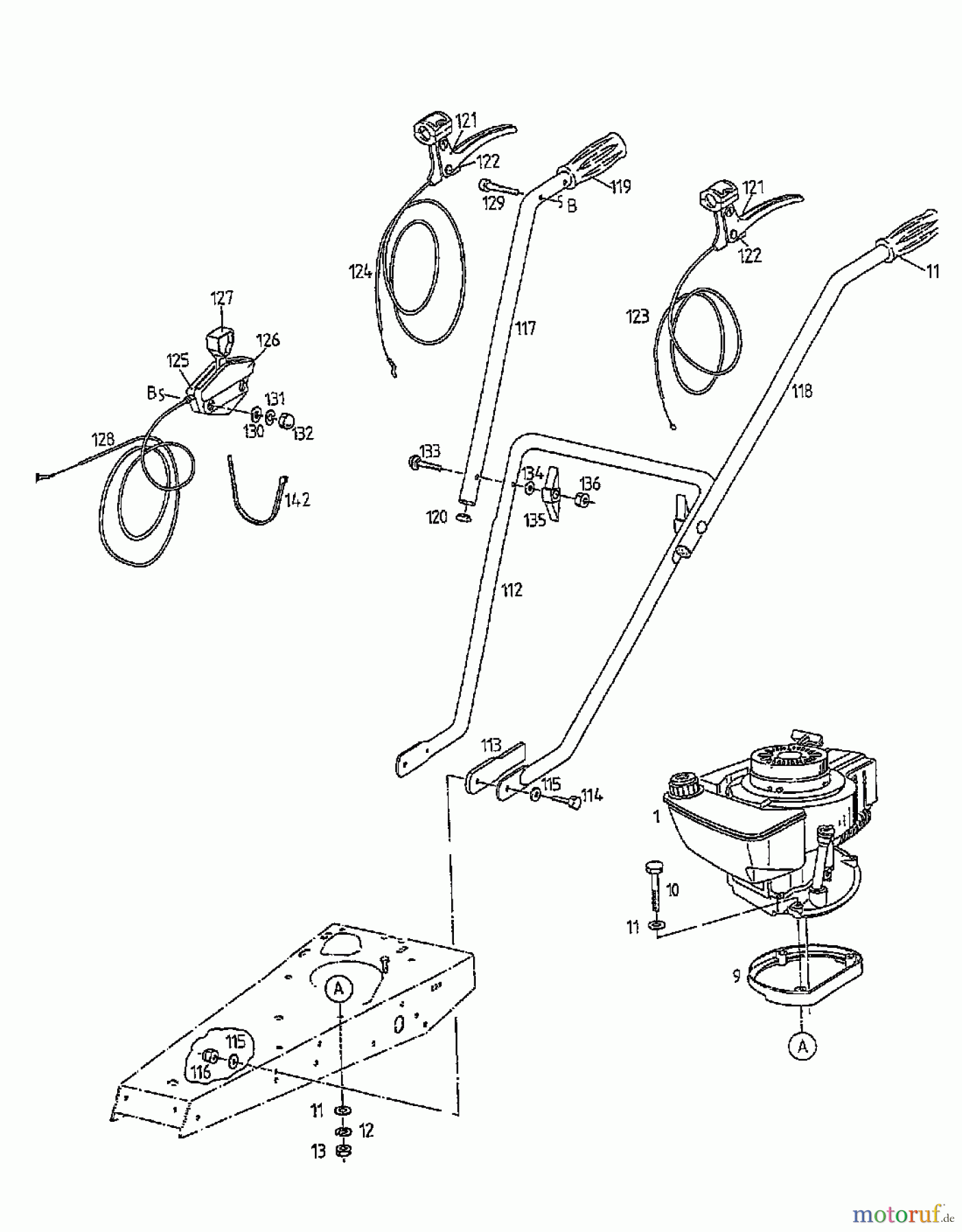
Hier finden Sie die Ersatzteilzeichnung für Gutbrod Balkenmäher BM 700 07510.04 (1997) Oberholm. Wählen Sie das benötigte Ersatzteil aus der Ersatzteilliste Ihres Gutbrod Gerätes aus und bestellen Sie einfach online. Viele Gutbrod Ersatzteile halten wir ständig in unserem Lager für Sie bereit.
Häufig benötigte Gutbrod BM 700 07510.04 (1997) Oberholm Ersatzteile

Artikelnummer: 079.13.632
Suche nach: 079.13.632
Hersteller: MTD
Gutbrod Ersatzteil Oberholm
Suche nach: 079.13.632
Hersteller: MTD
Gutbrod Ersatzteil Oberholm
32.24 €
für EU incl. MwSt., zzgl. Versand




