Gutbrod BM 700 07510.04 (1995) Getriebe Ersatzteile
Getriebe 07510.04 (1995)

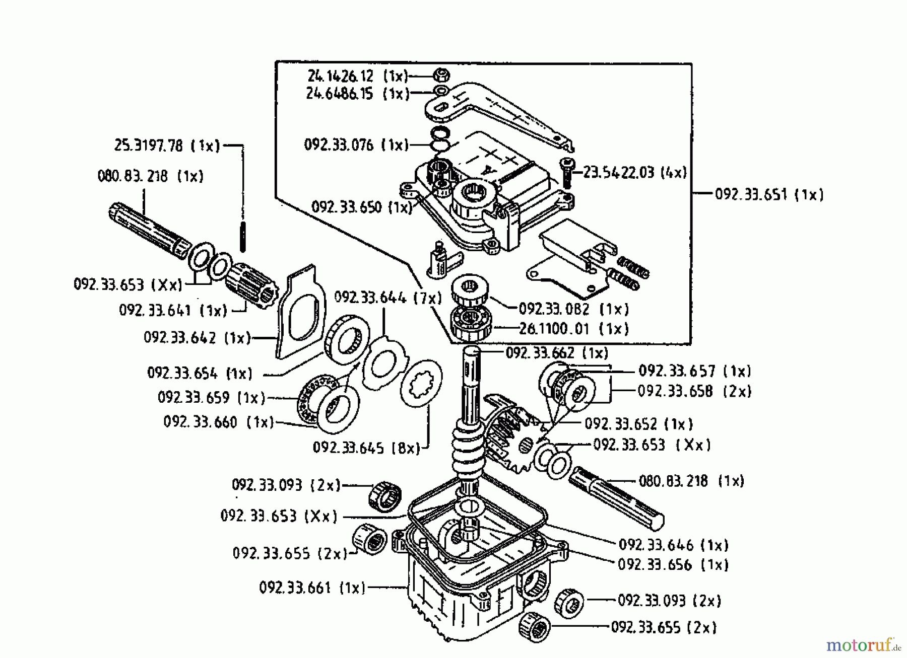
Hier finden Sie die Ersatzteilzeichnung für Gutbrod Balkenmäher BM 700 07510.04 (1995) Getriebe. Wählen Sie das benötigte Ersatzteil aus der Ersatzteilliste Ihres Gutbrod Gerätes aus und bestellen Sie einfach online. Viele Gutbrod Ersatzteile halten wir ständig in unserem Lager für Sie bereit.


Qualitätsmanagement
Informieren Sie uns, wenn Sie einen Fehler gefunden haben.

