Super 18 HN 141-849J (1991) Mähwerk H (46"/117cm) Ersatzteile
Mähwerk H (46"/117cm) 141-849J (1991)

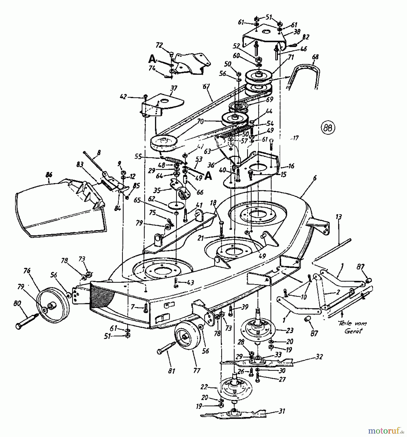
Hier finden Sie die Ersatzteilzeichnung für Super Gartentraktoren Super 18 HN 141-849J (1991) Mähwerk H (46"/117cm). Wählen Sie das benötigte Ersatzteil aus der Ersatzteilliste Ihres Super Gerätes aus und bestellen Sie einfach online. Viele Super Ersatzteile halten wir ständig in unserem Lager für Sie bereit.


Qualitätsmanagement
Informieren Sie uns, wenn Sie einen Fehler gefunden haben.































