Troy-Bilt Mustang XP 50 17AFCACP011 (2013) Mähwerk P (50"/127cm) Ersatzteile
Mähwerk P (50"/127cm) 17AFCACP011 (2013)

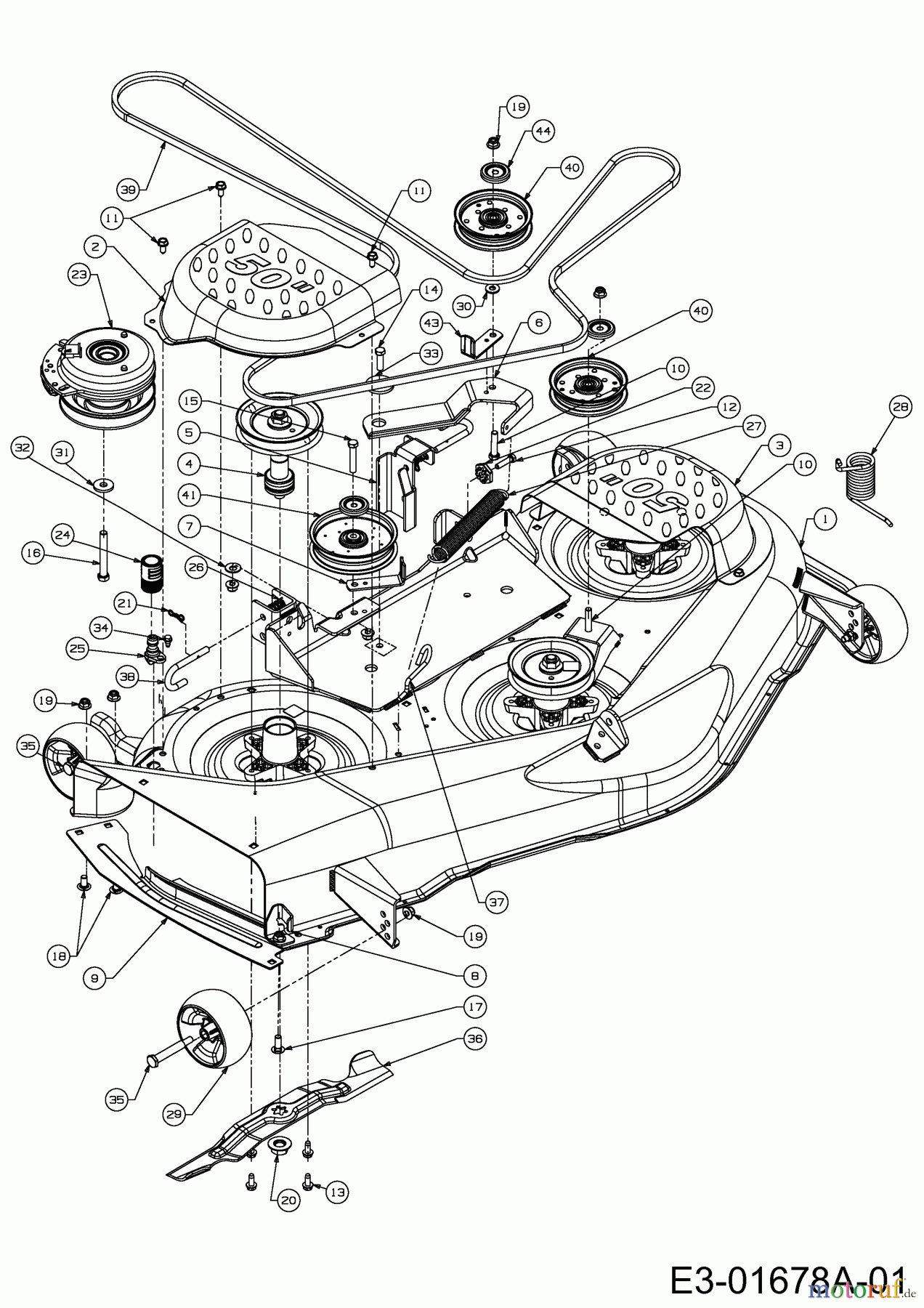
Hier finden Sie die Ersatzteilzeichnung für Troy-Bilt Zero Turn Mustang XP 50 17AFCACP011 (2013) Mähwerk P (50"/127cm). Wählen Sie das benötigte Ersatzteil aus der Ersatzteilliste Ihres Troy-Bilt Gerätes aus und bestellen Sie einfach online. Viele Troy-Bilt Ersatzteile halten wir ständig in unserem Lager für Sie bereit.


Qualitätsmanagement
Informieren Sie uns, wenn Sie einen Fehler gefunden haben.





















