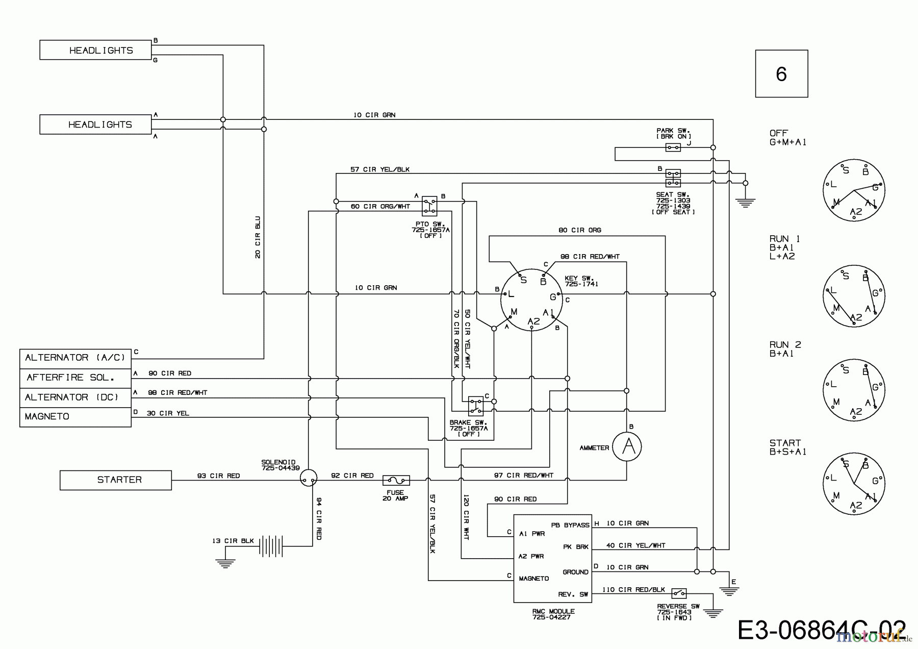
Troy-Bilt Horse XP 46 13WX79KT066 (2015) Schaltplan Ersatzteile
Schaltplan 13WX79KT066 (2015)

Hier finden Sie die Ersatzteilzeichnung für Troy-Bilt Rasentraktoren Horse XP 46 13WX79KT066 (2015) Schaltplan. Wählen Sie das benötigte Ersatzteil aus der Ersatzteilliste Ihres Troy-Bilt Gerätes aus und bestellen Sie einfach online. Viele Troy-Bilt Ersatzteile halten wir ständig in unserem Lager für Sie bereit.
| BildNr | Artikel Nummer | Bezeichnung | |
| 6 | 725-04462H | ||


Qualitätsmanagement
Informieren Sie uns, wenn Sie einen Fehler gefunden haben.

