Troy-Bilt Horse XP 46 13WX79KT066 (2014) Armaturenbrett Unterteil Ersatzteile
Armaturenbrett Unterteil 13WX79KT066 (2014)

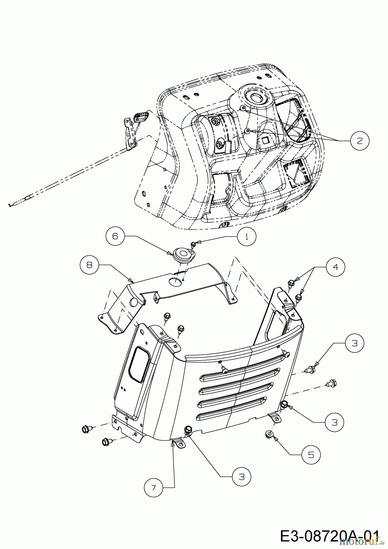
Hier finden Sie die Ersatzteilzeichnung für Troy-Bilt Rasentraktoren Horse XP 46 13WX79KT066 (2014) Armaturenbrett Unterteil. Wählen Sie das benötigte Ersatzteil aus der Ersatzteilliste Ihres Troy-Bilt Gerätes aus und bestellen Sie einfach online. Viele Troy-Bilt Ersatzteile halten wir ständig in unserem Lager für Sie bereit.






