Silverline Silvertrac 20/105 H 13CT493N677 (2011) Abdeckungen Mähwerk N (41"/105cm) Ersatzteile
Abdeckungen Mähwerk N (41"/105cm) 13CT493N677 (2011)

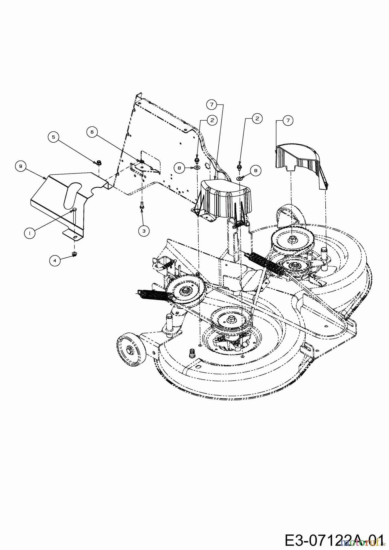
Hier finden Sie die Ersatzteilzeichnung für Silverline Rasentraktoren Silvertrac 20/105 H 13CT493N677 (2011) Abdeckungen Mähwerk N (41"/105cm). Wählen Sie das benötigte Ersatzteil aus der Ersatzteilliste Ihres Silverline Gerätes aus und bestellen Sie einfach online. Viele Silverline Ersatzteile halten wir ständig in unserem Lager für Sie bereit.


Qualitätsmanagement
Informieren Sie uns, wenn Sie einen Fehler gefunden haben.







