Einstellungen Computer

Gutbrod BM 100 4/BS 07507.01 (1985) Kurbelgehäuse, Zylinder Ersatzteile

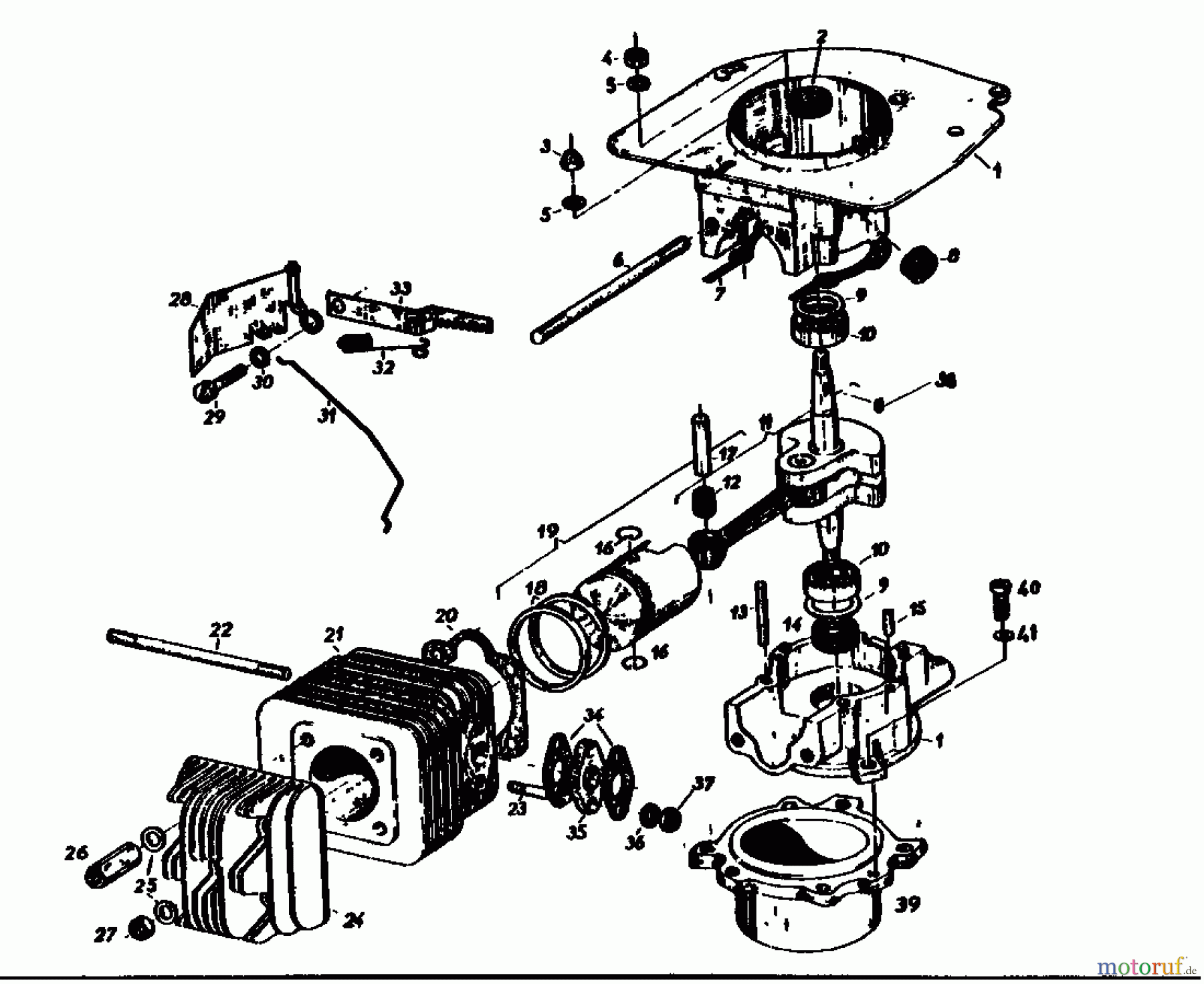
Kurbelgehäuse, Zylinder 07507.01 (1985)

 Gutbrod Balkenmäher BM 100 4/BS 07507.01  (1985) Kurbelgehäuse, Zylinder

Hier finden Sie die Ersatzteilzeichnung für Gutbrod Balkenmäher BM 100 4/BS 07507.01 (1985) Kurbelgehäuse, Zylinder. Wählen Sie das benötigte Ersatzteil aus der Ersatzteilliste Ihres Gutbrod Gerätes aus und bestellen Sie einfach online. Viele Gutbrod Ersatzteile halten wir ständig in unserem Lager für Sie bereit.

Rasen
Bankeinzug, MasterCard, Visa, American Express, PayPal, Nachnahme, Vorauskasse, Sofortüberweisung
Datenschutzerklärung Impressum
Qualitätsmanagement
Informieren Sie uns, wenn Sie einen Fehler gefunden haben.