Gutbrod BM 100-2/G 07507.01 (1992) Kurbelgehäuse, Zylinder Ersatzteile
Kurbelgehäuse, Zylinder 07507.01 (1992)

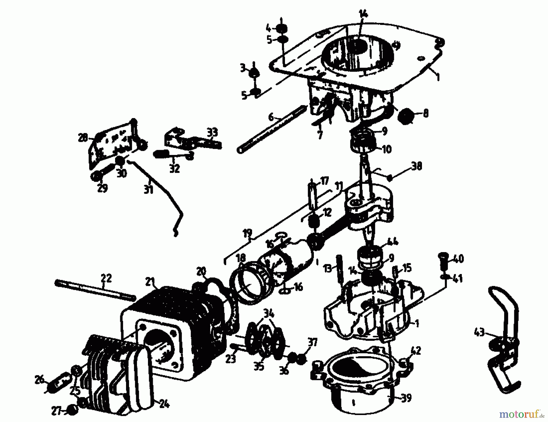
Hier finden Sie die Ersatzteilzeichnung für Gutbrod Balkenmäher BM 100-2/G 07507.01 (1992) Kurbelgehäuse, Zylinder. Wählen Sie das benötigte Ersatzteil aus der Ersatzteilliste Ihres Gutbrod Gerätes aus und bestellen Sie einfach online. Viele Gutbrod Ersatzteile halten wir ständig in unserem Lager für Sie bereit.


Qualitätsmanagement
Informieren Sie uns, wenn Sie einen Fehler gefunden haben.

