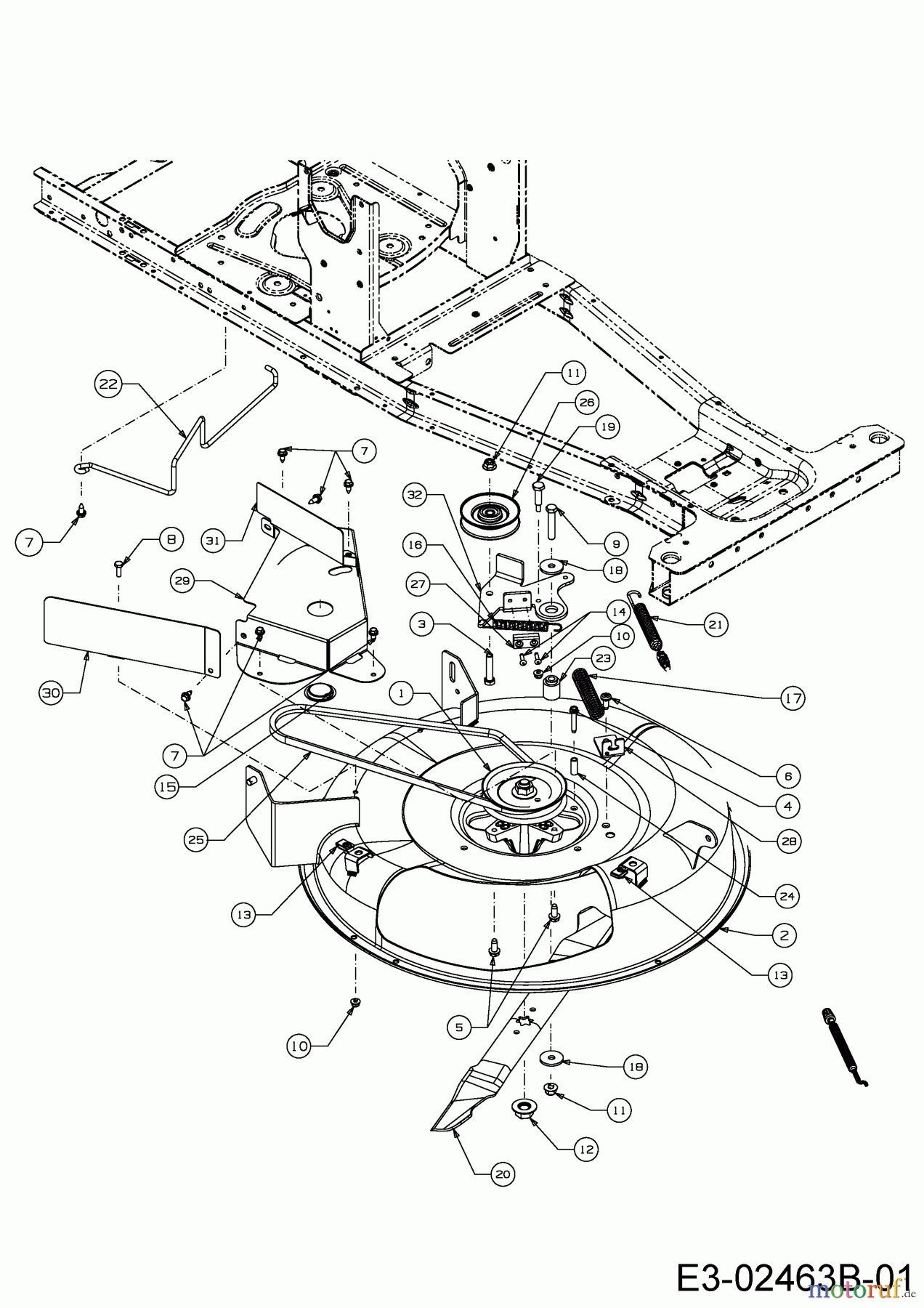
Cmi 60 SDE 13A326JC620 (2015) Mähwerk C (24"/60cm) Ersatzteile
Mähwerk C (24"/60cm) 13A326JC620 (2015)

Hier finden Sie die Ersatzteilzeichnung für Cmi Rasentraktoren 60 SDE 13A326JC620 (2015) Mähwerk C (24"/60cm). Wählen Sie das benötigte Ersatzteil aus der Ersatzteilliste Ihres Cmi Gerätes aus und bestellen Sie einfach online. Viele Cmi Ersatzteile halten wir ständig in unserem Lager für Sie bereit.
Häufig benötigte Cmi 60 SDE 13A326JC620 (2015) Mähwerk C (24"/60cm) Ersatzteile

Artikelnummer: 754-05001
Suche nach: 754-05001
Hersteller: MTD
Cmi Ersatzteil Mähwerk C (24"/60cm)
Suche nach: 754-05001
Hersteller: MTD
Cmi Ersatzteil Mähwerk C (24"/60cm)
45.14 €
für EU incl. MwSt., zzgl. Versand


Qualitätsmanagement
Informieren Sie uns, wenn Sie einen Fehler gefunden haben.

















