Cub Cadet RT 65 21AB455B330 (2014) Fahrantrieb Ersatzteile
Fahrantrieb 21AB455B330 (2014)

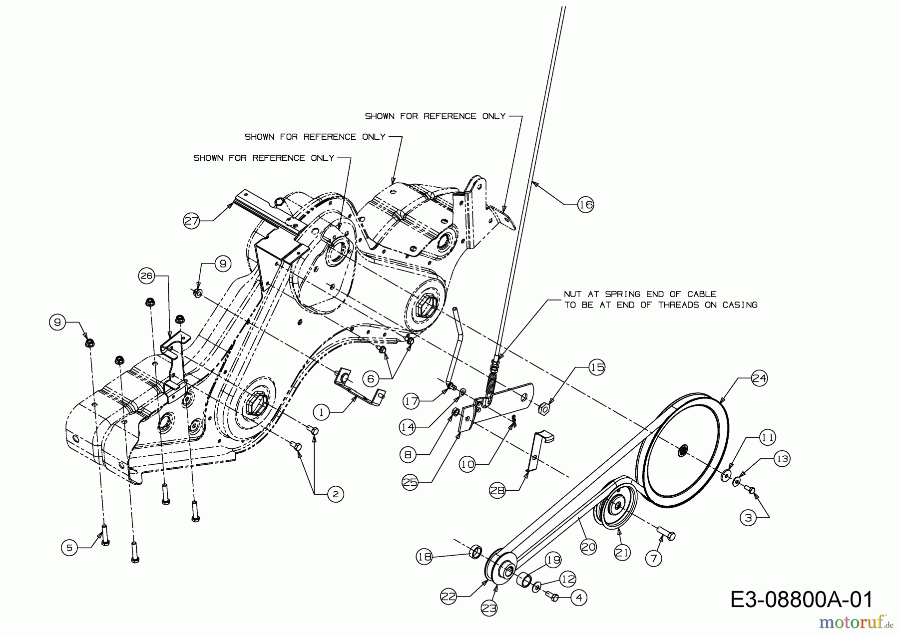
Hier finden Sie die Ersatzteilzeichnung für Cub Cadet Motorhacken RT 65 21AB455B330 (2014) Fahrantrieb. Wählen Sie das benötigte Ersatzteil aus der Ersatzteilliste Ihres Cub Cadet Gerätes aus und bestellen Sie einfach online. Viele Cub Cadet Ersatzteile halten wir ständig in unserem Lager für Sie bereit.


Qualitätsmanagement
Informieren Sie uns, wenn Sie einen Fehler gefunden haben.











