Cub Cadet Tank SZ 60 Commercial 53RI2PUD050 (2015) Abdeckungen, Mähwerksgehäuse Ersatzteile
Abdeckungen, Mähwerksgehäuse 53RI2PUD050 (2015)

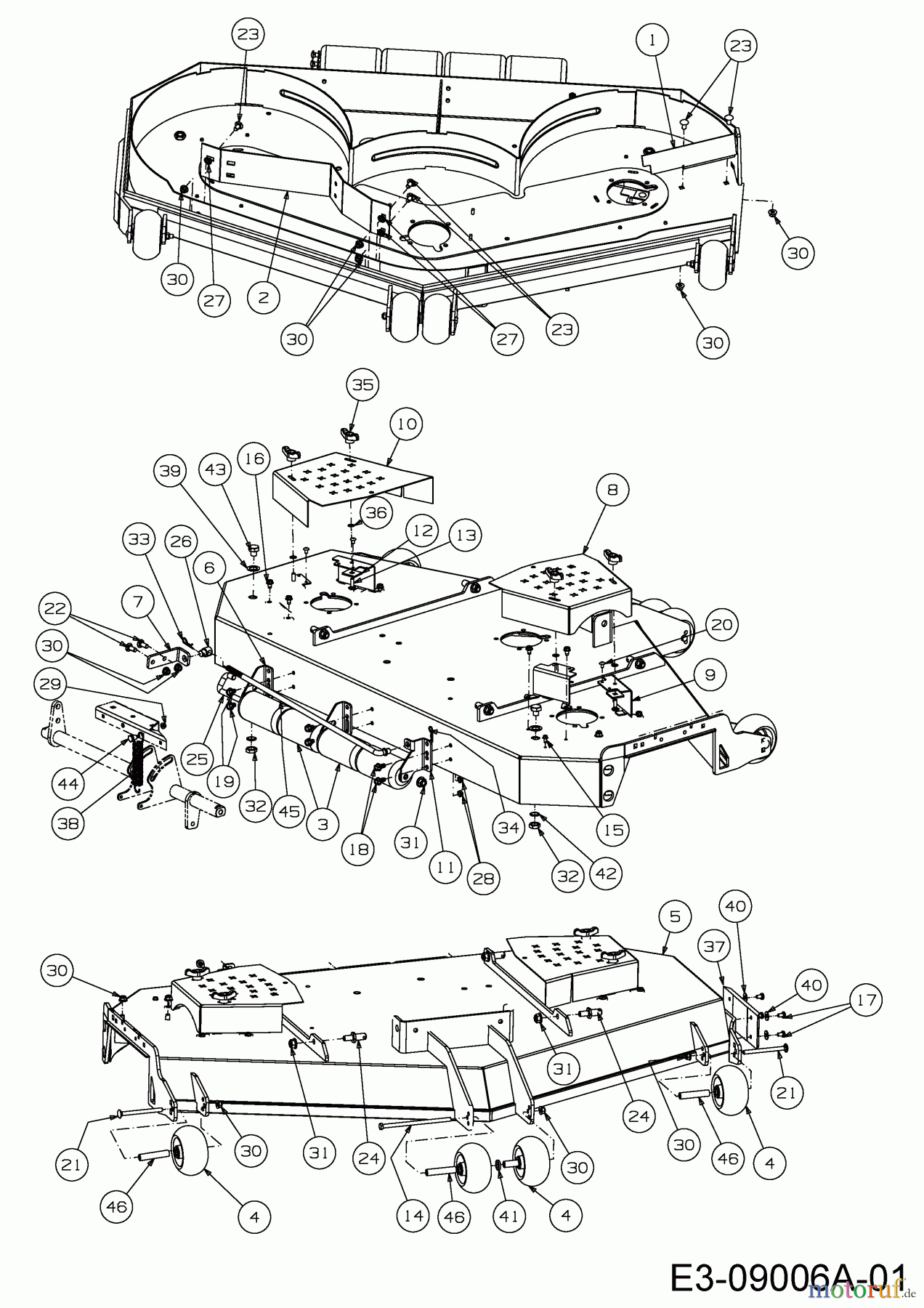
Hier finden Sie die Ersatzteilzeichnung für Cub Cadet Zero Turn Tank SZ 60 Commercial 53RI2PUD050 (2015) Abdeckungen, Mähwerksgehäuse. Wählen Sie das benötigte Ersatzteil aus der Ersatzteilliste Ihres Cub Cadet Gerätes aus und bestellen Sie einfach online. Viele Cub Cadet Ersatzteile halten wir ständig in unserem Lager für Sie bereit.


Qualitätsmanagement
Informieren Sie uns, wenn Sie einen Fehler gefunden haben.















