Cub Cadet i 1050 17AF9BKP330 (2012) Motorzubehör Ersatzteile
Motorzubehör 17AF9BKP330 (2012)

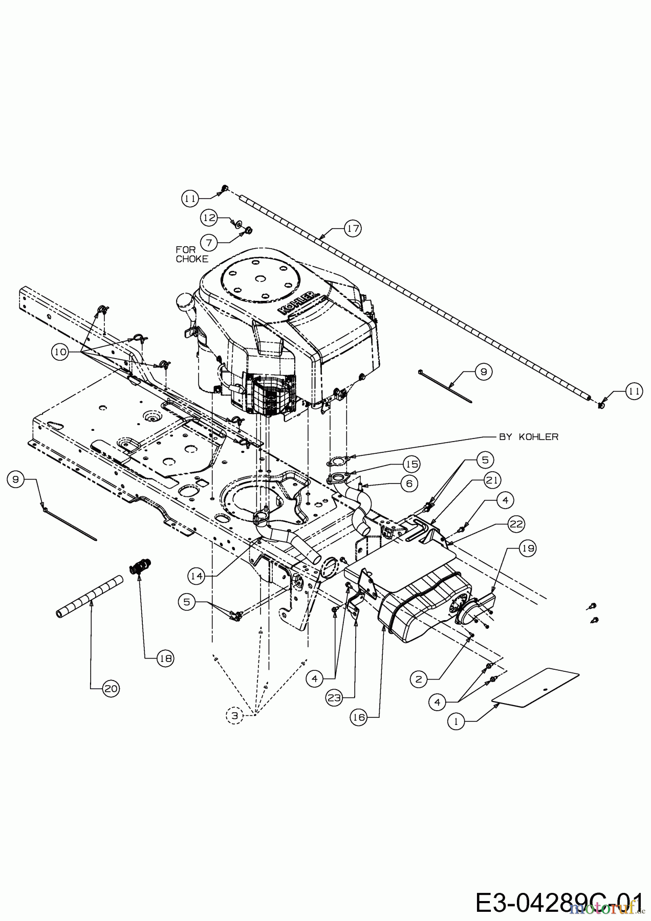
Hier finden Sie die Ersatzteilzeichnung für Cub Cadet Zero Turn i 1050 17AF9BKP330 (2012) Motorzubehör. Wählen Sie das benötigte Ersatzteil aus der Ersatzteilliste Ihres Cub Cadet Gerätes aus und bestellen Sie einfach online. Viele Cub Cadet Ersatzteile halten wir ständig in unserem Lager für Sie bereit.










