Cub Cadet i 1050 17AF9BKP010 (2009) Schaltplan Ersatzteile
Schaltplan 17AF9BKP010 (2009)

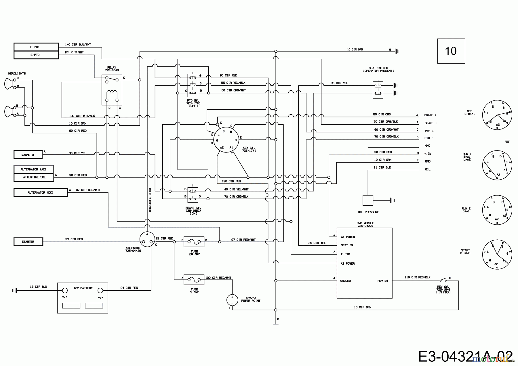
Hier finden Sie die Ersatzteilzeichnung für Cub Cadet Zero Turn i 1050 17AF9BKP010 (2009) Schaltplan. Wählen Sie das benötigte Ersatzteil aus der Ersatzteilliste Ihres Cub Cadet Gerätes aus und bestellen Sie einfach online. Viele Cub Cadet Ersatzteile halten wir ständig in unserem Lager für Sie bereit.
| BildNr | Artikel Nummer | Bezeichnung | |
| 10 | 725-04375A | KABELBAUM | |


Qualitätsmanagement
Informieren Sie uns, wenn Sie einen Fehler gefunden haben.

