Cub Cadet RZT 54 17AI2ACK603 (2009) Schaltplan Ersatzteile
Schaltplan 17AI2ACK603 (2009)

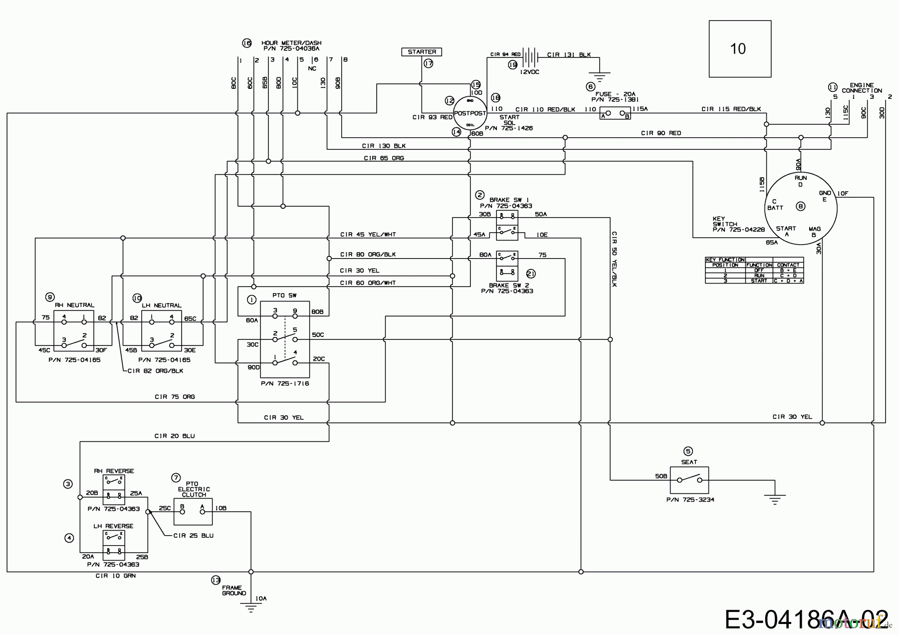
Hier finden Sie die Ersatzteilzeichnung für Cub Cadet Zero Turn RZT 54 17AI2ACK603 (2009) Schaltplan. Wählen Sie das benötigte Ersatzteil aus der Ersatzteilliste Ihres Cub Cadet Gerätes aus und bestellen Sie einfach online. Viele Cub Cadet Ersatzteile halten wir ständig in unserem Lager für Sie bereit.
| BildNr | Artikel Nummer | Bezeichnung | |
| 10 | 725-04621A | KABELBAUM | |


Qualitätsmanagement
Informieren Sie uns, wenn Sie einen Fehler gefunden haben.

