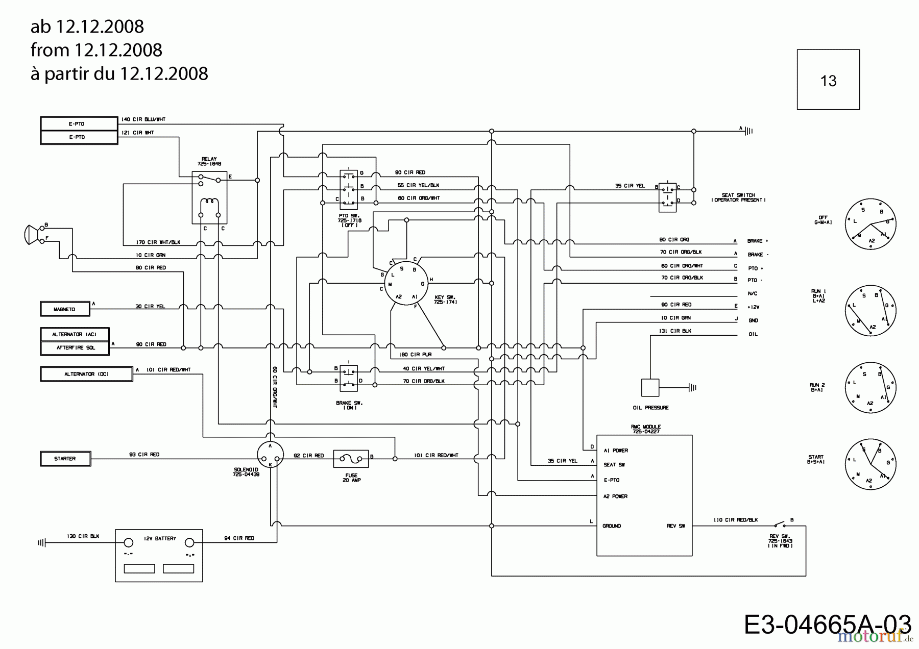
Cub Cadet FMZ 42 17BE4BFR603 (2009) Schaltplan ab 12.12.2008 Ersatzteile
Schaltplan ab 12.12.2008 17BE4BFR603 (2009)

Hier finden Sie die Ersatzteilzeichnung für Cub Cadet Zero Turn FMZ 42 17BE4BFR603 (2009) Schaltplan ab 12.12.2008. Wählen Sie das benötigte Ersatzteil aus der Ersatzteilliste Ihres Cub Cadet Gerätes aus und bestellen Sie einfach online. Viele Cub Cadet Ersatzteile halten wir ständig in unserem Lager für Sie bereit.
| BildNr | Artikel Nummer | Bezeichnung | |
| 13 | 725-04882 | KABELBAUM VOLLST:CUB:FMZ | |



