Columbia RD 51 SSL 127-3590 (1987) Ersatzteile
127-3590 (1987) RD 51 SSL

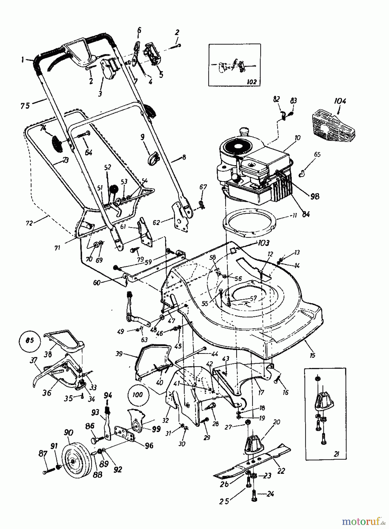
Hier finden Sie die Ersatzteilzeichnung für Columbia Motormäher mit Antrieb RD 51 SSL 127-3590 (1987) Grundgerät. Wählen Sie das benötigte Ersatzteil aus der Ersatzteilliste Ihres Columbia Gerätes aus und bestellen Sie einfach online. Viele Columbia Ersatzteile halten wir ständig in unserem Lager für Sie bereit.


Qualitätsmanagement
Informieren Sie uns, wenn Sie einen Fehler gefunden haben.















