Cub Cadet Wide Cut E-Start 12AE764U603 (2015) Motor Ersatzteile
Motor 12AE764U603 (2015)

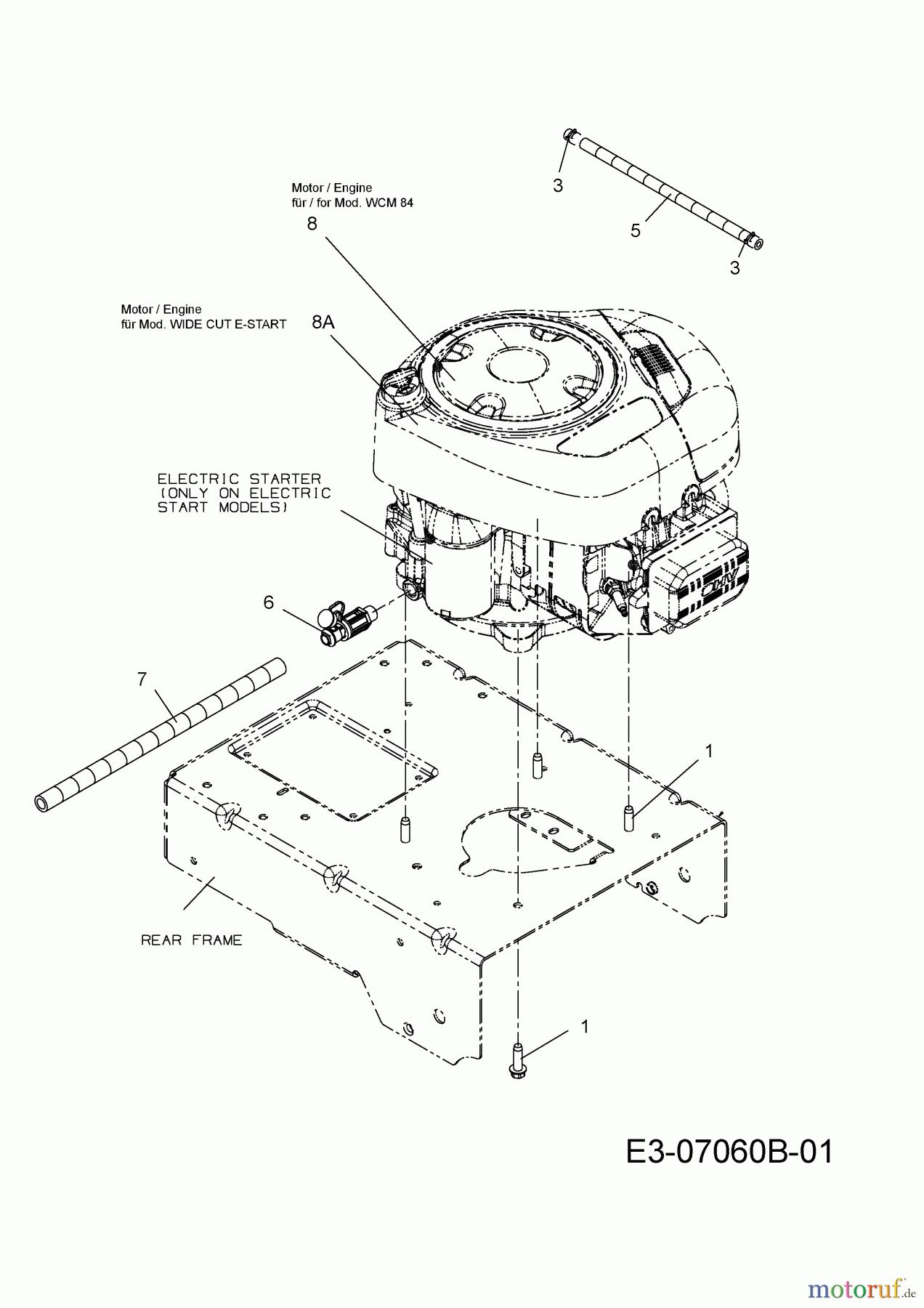
Hier finden Sie die Ersatzteilzeichnung für Cub Cadet Motormäher mit Antrieb Wide Cut E-Start 12AE764U603 (2015) Motor. Wählen Sie das benötigte Ersatzteil aus der Ersatzteilliste Ihres Cub Cadet Gerätes aus und bestellen Sie einfach online. Viele Cub Cadet Ersatzteile halten wir ständig in unserem Lager für Sie bereit.


Qualitätsmanagement
Informieren Sie uns, wenn Sie einen Fehler gefunden haben.





