Einstellungen Computer

Cub Cadet CC 1018 BHG 13HT93AG603 (2015) Mähwerk G (42"/107cm) Ersatzteile

Mähwerk G (42"/107cm) 13HT93AG603 (2015)

 Cub Cadet Rasentraktoren CC 1018 BHG 13HT93AG603  (2015) Mähwerk G (42

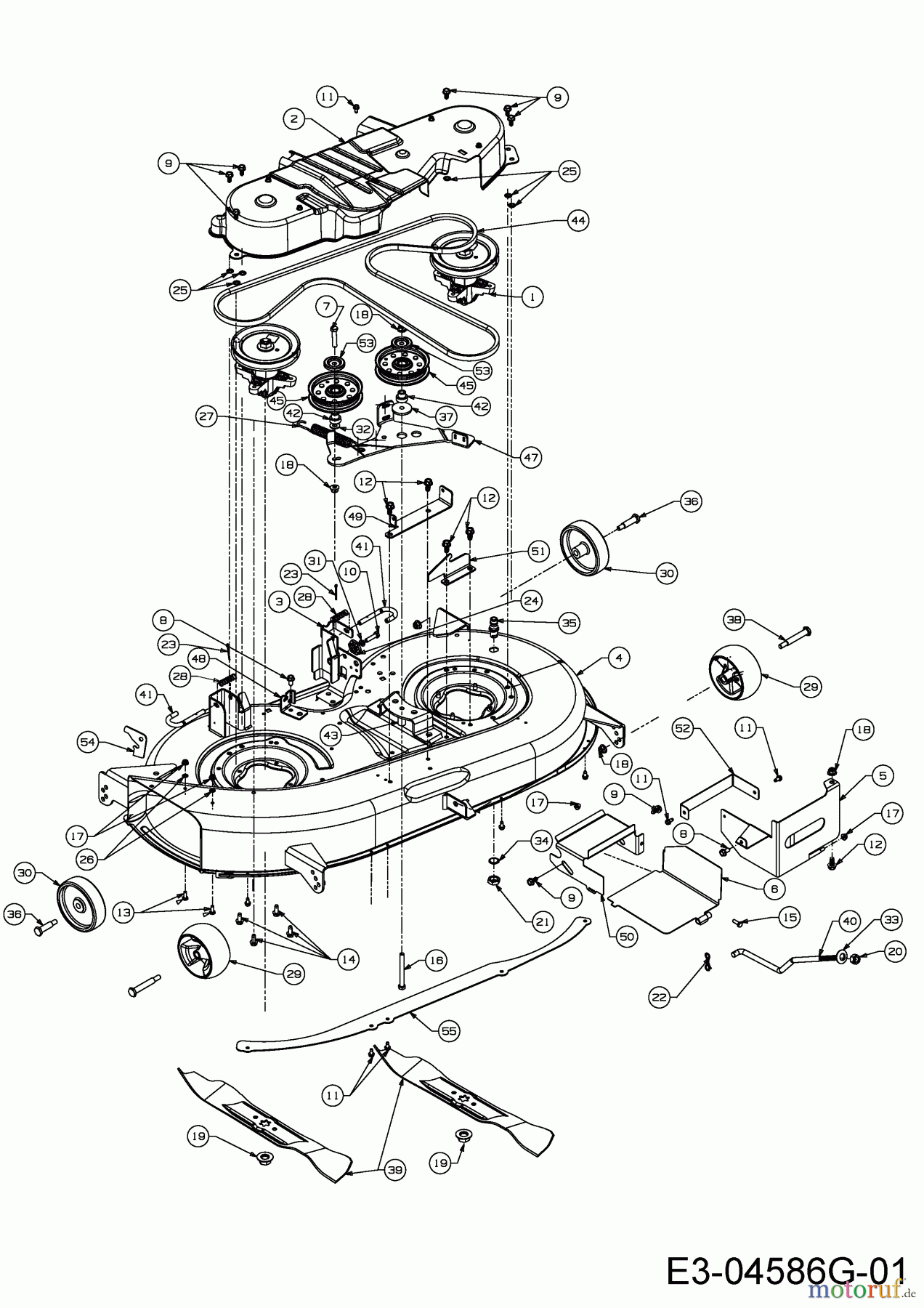
Hier finden Sie die Ersatzteilzeichnung für Cub Cadet Rasentraktoren CC 1018 BHG 13HT93AG603 (2015) Mähwerk G (42"/107cm). Wählen Sie das benötigte Ersatzteil aus der Ersatzteilliste Ihres Cub Cadet Gerätes aus und bestellen Sie einfach online. Viele Cub Cadet Ersatzteile halten wir ständig in unserem Lager für Sie bereit.

BildNrArtikel NummerBezeichnung
1 Cub Cadet MESSERSPINDEL:RIEMENSCH:Ò 6.3"618-04456BMESSERSPINDEL:RIEMENSCH:Ò 6.3"
2 631-04313AABDECKUNG VOLLST:DECK 42"
3 683-0254BHALTER VOLLST:DECKAUFHÄNGUNG
4 683-04497DECK VOLLST:SD:42"
5 683-04541ABDECKUNG VOLLST:PTO:CE
6 683-04548AABDECKUNG VOLLST:PTO:42":CE
7 Cub Cadet 6KT-SCHR:3/8-16:1.75:GR5:STD710-03476KT-SCHR:3/8-16:1.75:GR5:STD
8 Cub Cadet 6KT-SCHRAUBE:TT:5/16-18:.750710-044846KT-SCHRAUBE:TT:5/16-18:.750
9 710-05045A6KT-SCHRAUBE:TT:5/16-18:.750
10 Cub Cadet 6KT-SCHR:5/16-18:1.25:GR5:STD710-05286KT-SCHR:5/16-18:1.25:GR5:STD
11 Cub Cadet 6KT-SCHRAUBE:TT:1/4-20:0.500710-05996KT-SCHRAUBE:TT:1/4-20:0.500
12 Cub Cadet 6KT-BLECHSCHR:TT:3/8-16:0.750710-06236KT-BLECHSCHR:TT:3/8-16:0.750
13 710-07516KT-SCHR:1/4-20:.620:GR5:STD
14 Cub Cadet 6KT-SCHR:TT:5/16-18:.750710-1260A6KT-SCHR:TT:5/16-18:.750
15 Cub Cadet 6KT-SCHR:1/4-20:.75:GR5:STD710-30156KT-SCHR:1/4-20:.75:GR5:STD
16 Cub Cadet 6KT-SCHR:3/8-16:3.50:GR5:STD710-30856KT-SCHR:3/8-16:3.50:GR5:STD
17 Cub Cadet 6KT-BUNDMUTTER:1/4-20:NYLON712-040646KT-BUNDMUTTER:1/4-20:NYLON
18 Cub Cadet S-6KT-BUNDMUTTER 3/8-16:NYLON712-04065S-6KT-BUNDMUTTER 3/8-16:NYLON
19 Cub Cadet 6KT-BUNDMUTTER:5/8-18712-0417A6KT-BUNDMUTTER:5/8-18
20 Cub Cadet 6KT-MUTTER:1/2-13:PATCH HD712-050466KT-MUTTER:1/2-13:PATCH HD
21 Cub Cadet 6KT-MUTTER:FL:M16-1.5 DIN 936712-06416KT-MUTTER:FL:M16-1.5 DIN 936
22 Cub Cadet FEDERSTECKER:GEBOGEN714-04043FEDERSTECKER:GEBOGEN
23 Cub Cadet SPLINT:1/8 x 1.25" LG714-0470SPLINT:1/8 x 1.25" LG
24 Cub Cadet ZAHNRAD:Z10:DECKEINSTELLUNG717-04074ZAHNRAD:Z10:DECKEINSTELLUNG
25 Cub Cadet DRUCKSCHEIBE:.3125 ID726-0201DRUCKSCHEIBE:.3125 ID
26 726-0233DRUCKSCHEIBE:.25 ID X .50 OD
27 732-04247ZUGFEDER:.850" DIA x 6.415
28 Cub Cadet DRUCKFEDER:.535 OD x 1.751 LG732-04652DRUCKFEDER:.535 OD x 1.751 LG
29 Cub Cadet DECKRAD:5.0 DIA:BALLFÖRMIG734-04155DECKRAD:5.0 DIA:BALLFÖRMIG
30 734-0973DECKRAD:5.0 x 1.38
31 Cub Cadet FEDERRING:5/16" NORMALAUSF.736-0119FEDERRING:5/16" NORMALAUSF.
32 Cub Cadet SCHEIBE:FLACH:.406 x.875 x.059736-0300SCHEIBE:FLACH:.406 x.875 x.059
33 736-0317TELLERFEDER:.630x1.250x.180 *
34 Cub Cadet SCHNORR-SCHEIBE 17x23.8x1.95736-0760SCHNORR-SCHEIBE 17x23.8x1.95
35 Cub Cadet WASCHDÜSE:DECK:737-04003DWASCHDÜSE:DECK:
36 Cub Cadet SCHULTERSCHR:.496x1.525:3/8-16738-0373SCHULTERSCHR:.496x1.525:3/8-16
37 Cub Cadet BUNDSCHEIBE:.8840 x .190738-04162CBUNDSCHEIBE:.8840 x .190
38 Cub Cadet SCHULTERSCHR:.496x2.50:3/8-16738-3056SCHULTERSCHR:.496x2.50:3/8-16
39 Cub Cadet MESSER:21.23"LG:HIGH LIFT:3IN1742-0616AMESSER:21.23"LG:HIGH LIFT:3IN1
40 747-05072AUSHEBESTANGE:DECK 42" CVR EU
41 Cub Cadet ABSTECKBÜGEL:DECKFREIGABE:.375747-1116ABSTECKBÜGEL:DECKFREIGABE:.375
42 Cub Cadet BUNDBUCHSE:HEBELFÜHRUNG748-05029ABUNDBUCHSE:HEBELFÜHRUNG
43 750-04446HÜLSE:3/8 ID x.68 OD x 1.46 LG
44 Cub Cadet KEILRIEMEN:V:A:96.5":ARAM:C2754-04060CKEILRIEMEN:V:A:96.5":ARAM:C2
45 Cub Cadet SPANNROLLE:4.25" DIA:HD756-05042SPANNROLLE:4.25" DIA:HD
47 783-04491DHALTEBLECH:SPANNROLLE
48 783-04740FÜHRUNGSBL:BOWDENZUG:DECKBETÄT
49 783-06275GEGENLAGER:DECK 42"
50 783-06334ABDECKUNG:OBEN:KR:42" CE
51 783-06340ANSCHLAG:42" DECK
52 783-06341MONTAGEWINKEL:HINTEN:42" CE
53 Cub Cadet ABDECKBLECH:RD:SPANNROLLE:HD783-08389ABDECKBLECH:RD:SPANNROLLE:HD
54 783-1025ANSCHLAG:DELEKTOR
55 783-1146ABLECH:SCHÜRZE:DECK:42"
Rasen
Bankeinzug, MasterCard, Visa, American Express, PayPal, Nachnahme, Vorauskasse, Sofortüberweisung
Datenschutzerklärung Impressum
Qualitätsmanagement
Informieren Sie uns, wenn Sie einen Fehler gefunden haben.