Cub Cadet LTX 1050 KW 13AI93AP330 (2014) Motorzubehör Ersatzteile
Motorzubehör 13AI93AP330 (2014)

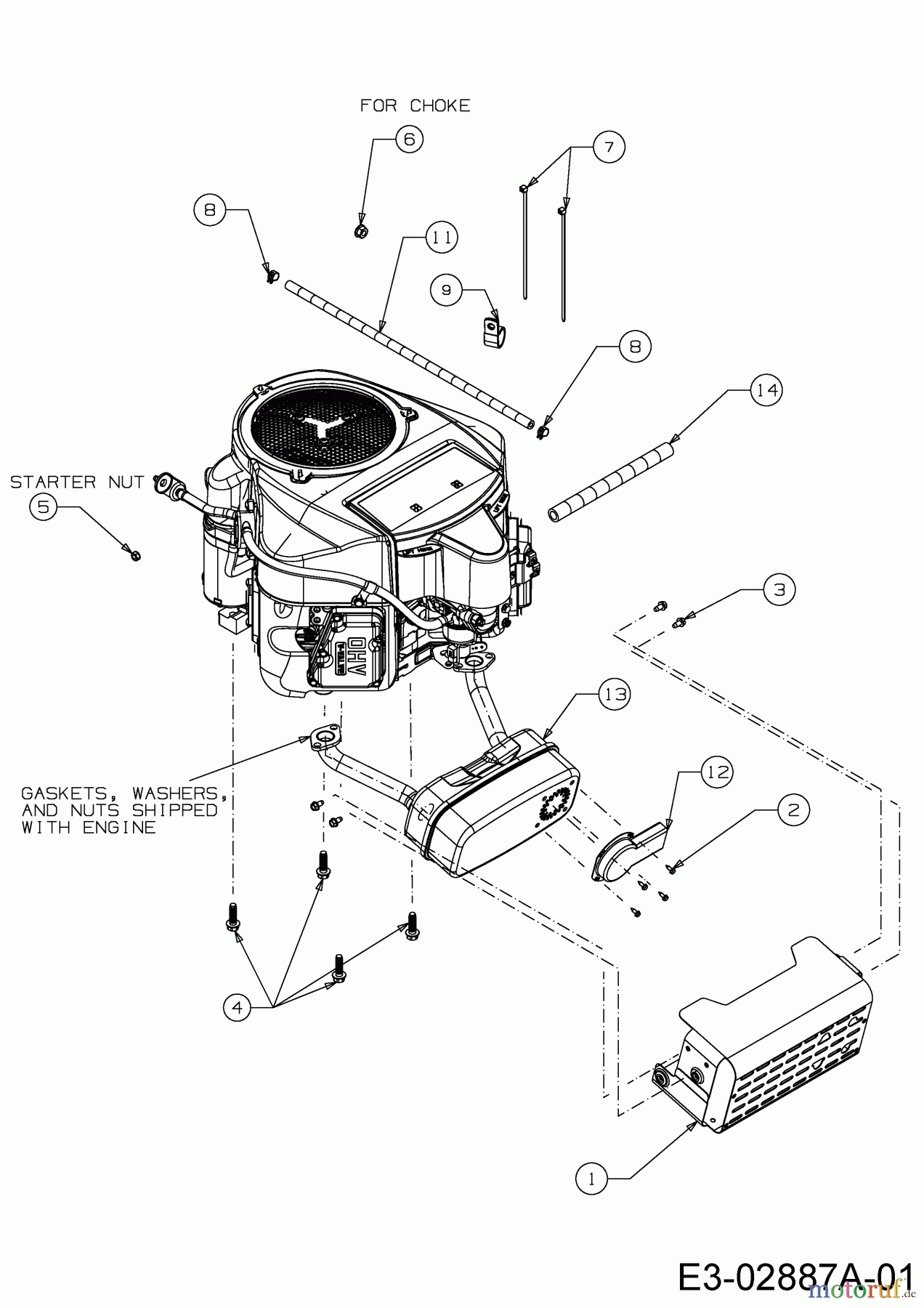
Hier finden Sie die Ersatzteilzeichnung für Cub Cadet Rasentraktoren LTX 1050 KW 13AI93AP330 (2014) Motorzubehör. Wählen Sie das benötigte Ersatzteil aus der Ersatzteilliste Ihres Cub Cadet Gerätes aus und bestellen Sie einfach online. Viele Cub Cadet Ersatzteile halten wir ständig in unserem Lager für Sie bereit.


Qualitätsmanagement
Informieren Sie uns, wenn Sie einen Fehler gefunden haben.






