Columbia CS 53 121-476R (1991) Ersatzteile
121-476R (1991) CS 53

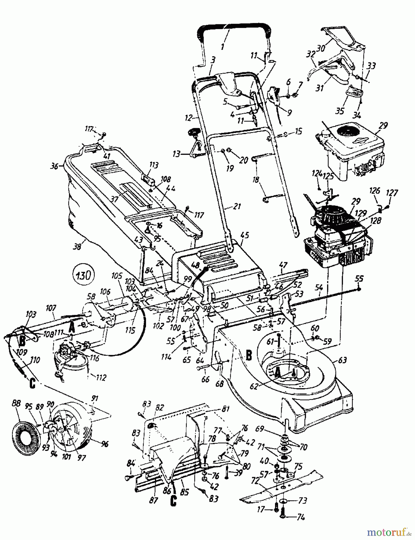
Hier finden Sie die Ersatzteilzeichnung für Columbia Motormäher mit Antrieb CS 53 121-476R (1991) Grundgerät. Wählen Sie das benötigte Ersatzteil aus der Ersatzteilliste Ihres Columbia Gerätes aus und bestellen Sie einfach online. Viele Columbia Ersatzteile halten wir ständig in unserem Lager für Sie bereit.


Qualitätsmanagement
Informieren Sie uns, wenn Sie einen Fehler gefunden haben.























