Cub Cadet LTX 1045 13WX91AT010 (2013) Mähwerk T (46"/117cm) Ersatzteile
Mähwerk T (46"/117cm) 13WX91AT010 (2013)

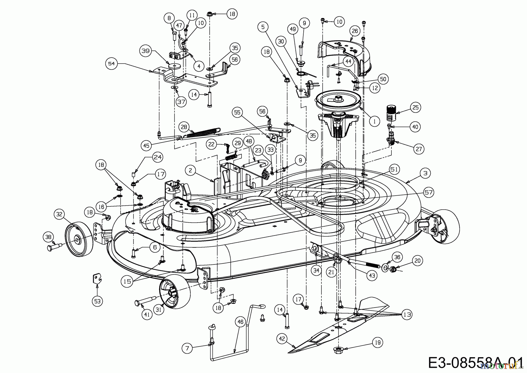
Hier finden Sie die Ersatzteilzeichnung für Cub Cadet Rasentraktoren LTX 1045 13WX91AT010 (2013) Mähwerk T (46"/117cm). Wählen Sie das benötigte Ersatzteil aus der Ersatzteilliste Ihres Cub Cadet Gerätes aus und bestellen Sie einfach online. Viele Cub Cadet Ersatzteile halten wir ständig in unserem Lager für Sie bereit.


Qualitätsmanagement
Informieren Sie uns, wenn Sie einen Fehler gefunden haben.






























