Cub Cadet LTX 1050 13AQ93AP330 (2015) Schaltplan Ersatzteile
Schaltplan 13AQ93AP330 (2015)

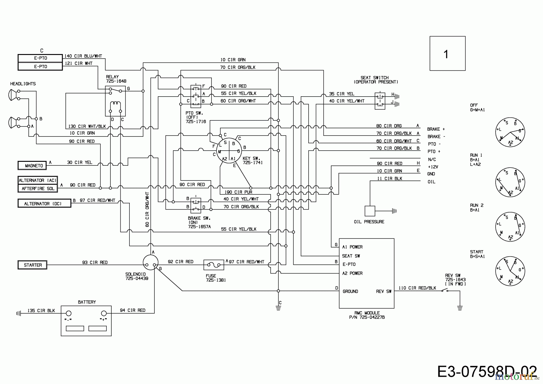
Hier finden Sie die Ersatzteilzeichnung für Cub Cadet Rasentraktoren LTX 1050 13AQ93AP330 (2015) Schaltplan. Wählen Sie das benötigte Ersatzteil aus der Ersatzteilliste Ihres Cub Cadet Gerätes aus und bestellen Sie einfach online. Viele Cub Cadet Ersatzteile halten wir ständig in unserem Lager für Sie bereit.
| BildNr | Artikel Nummer | Bezeichnung | |
| 1 | 625-04093 | KABELSATZ:CUB100:EPTO:RMC: | |



