Cub Cadet LTX 1050 13AP91AP330 (2012) Motorzubehör Ersatzteile
Motorzubehör 13AP91AP330 (2012)

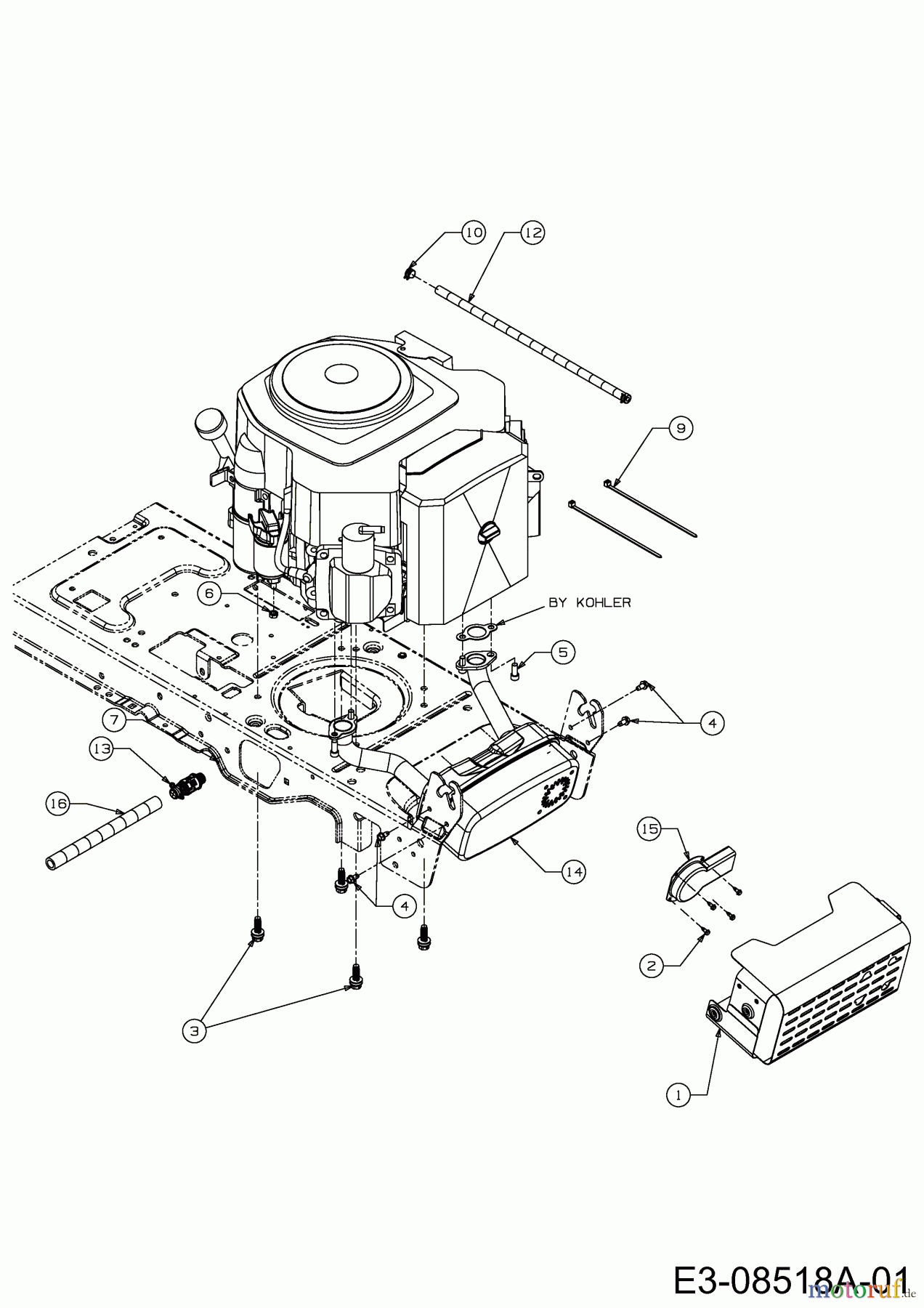
Hier finden Sie die Ersatzteilzeichnung für Cub Cadet Rasentraktoren LTX 1050 13AP91AP330 (2012) Motorzubehör. Wählen Sie das benötigte Ersatzteil aus der Ersatzteilliste Ihres Cub Cadet Gerätes aus und bestellen Sie einfach online. Viele Cub Cadet Ersatzteile halten wir ständig in unserem Lager für Sie bereit.









