Cub Cadet LTX 1042 13BP91AS330 (2014) Fahrantrieb Ersatzteile
Fahrantrieb 13BP91AS330 (2014)

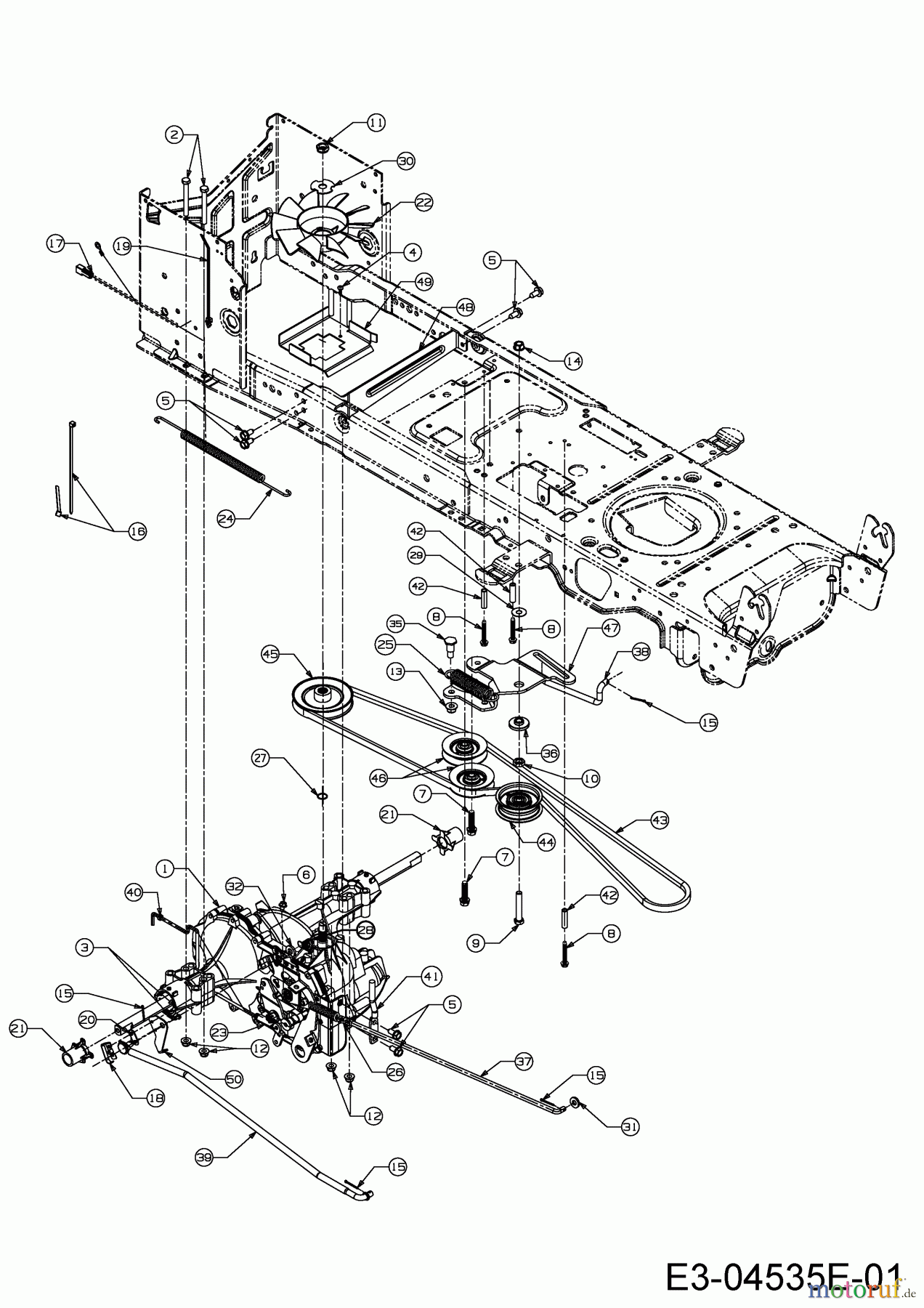
Hier finden Sie die Ersatzteilzeichnung für Cub Cadet Rasentraktoren LTX 1042 13BP91AS330 (2014) Fahrantrieb. Wählen Sie das benötigte Ersatzteil aus der Ersatzteilliste Ihres Cub Cadet Gerätes aus und bestellen Sie einfach online. Viele Cub Cadet Ersatzteile halten wir ständig in unserem Lager für Sie bereit.






















