Cub Cadet CC 1022 KHT 13HP93AT603 (2015) Fahrantrieb Ersatzteile
Fahrantrieb 13HP93AT603 (2015)

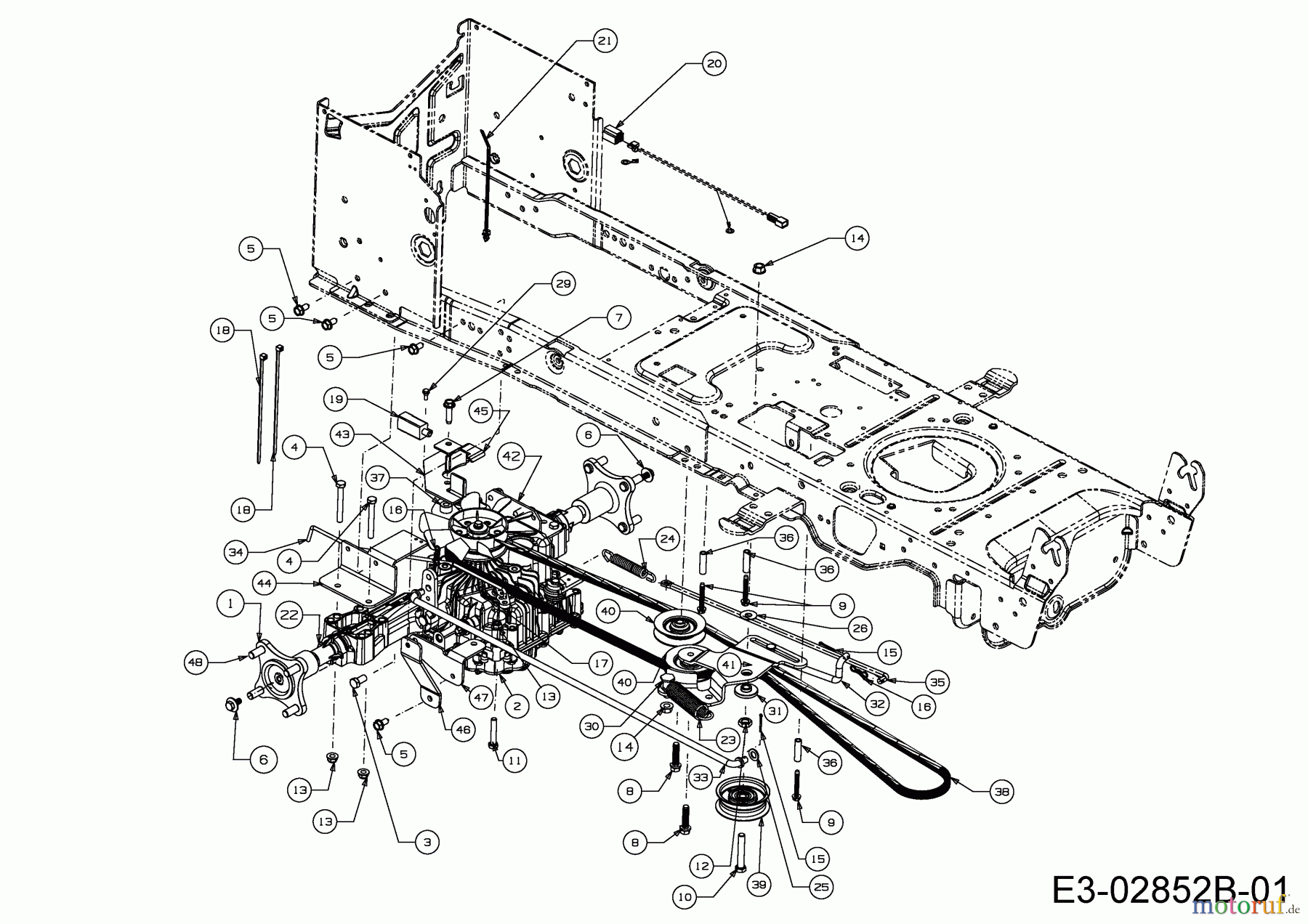
Hier finden Sie die Ersatzteilzeichnung für Cub Cadet Rasentraktoren CC 1022 KHT 13HP93AT603 (2015) Fahrantrieb. Wählen Sie das benötigte Ersatzteil aus der Ersatzteilliste Ihres Cub Cadet Gerätes aus und bestellen Sie einfach online. Viele Cub Cadet Ersatzteile halten wir ständig in unserem Lager für Sie bereit.






















