Cub Cadet CC 714 HA 13B271DA603 (2014) Schaltplan Ersatzteile
Schaltplan 13B271DA603 (2014)

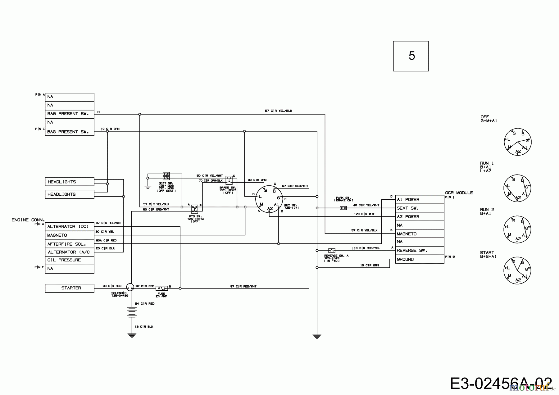
Hier finden Sie die Ersatzteilzeichnung für Cub Cadet Rasentraktoren CC 714 HA 13B271DA603 (2014) Schaltplan. Wählen Sie das benötigte Ersatzteil aus der Ersatzteilliste Ihres Cub Cadet Gerätes aus und bestellen Sie einfach online. Viele Cub Cadet Ersatzteile halten wir ständig in unserem Lager für Sie bereit.
| BildNr | Artikel Nummer | Bezeichnung | |
| 1 | 725-06137 | KABELBAUM:LT-5:4POS:B&S:RR BAG | |



