Columbia RD 11/660 133C524A626 (1993) Armaturenbrett, Motorhaube, Sitzwanne Ersatzteile
Armaturenbrett, Motorhaube, Sitzwanne 133C524A626 (1993)

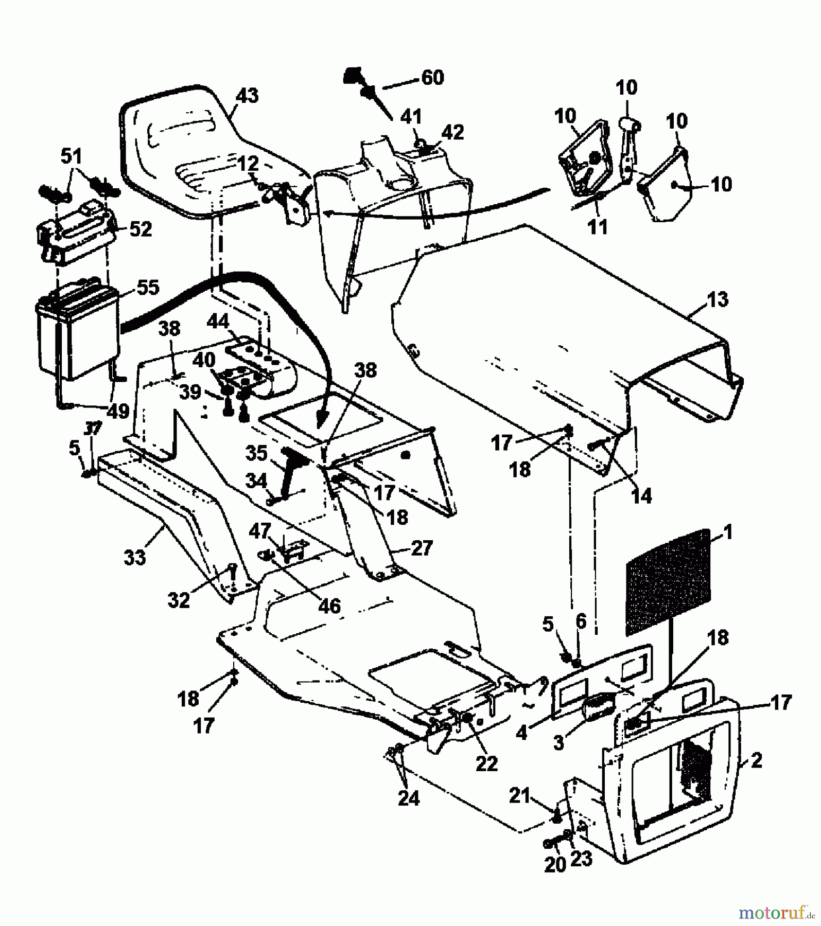
Hier finden Sie die Ersatzteilzeichnung für Columbia Rasentraktoren RD 11/660 133C524A626 (1993) Armaturenbrett, Motorhaube, Sitzwanne. Wählen Sie das benötigte Ersatzteil aus der Ersatzteilliste Ihres Columbia Gerätes aus und bestellen Sie einfach online. Viele Columbia Ersatzteile halten wir ständig in unserem Lager für Sie bereit.












