Cub Cadet CC 1020 RD 13AE51CN603 (2006) Mähwerk N (41"/105cm) ab 01.12.2005 Ersatzteile
Mähwerk N (41"/105cm) ab 01.12.2005 13AE51CN603 (2006)

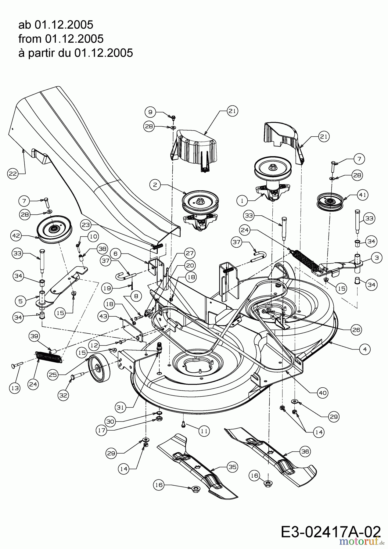
Hier finden Sie die Ersatzteilzeichnung für Cub Cadet Rasentraktoren CC 1020 RD 13AE51CN603 (2006) Mähwerk N (41"/105cm) ab 01.12.2005. Wählen Sie das benötigte Ersatzteil aus der Ersatzteilliste Ihres Cub Cadet Gerätes aus und bestellen Sie einfach online. Viele Cub Cadet Ersatzteile halten wir ständig in unserem Lager für Sie bereit.






























