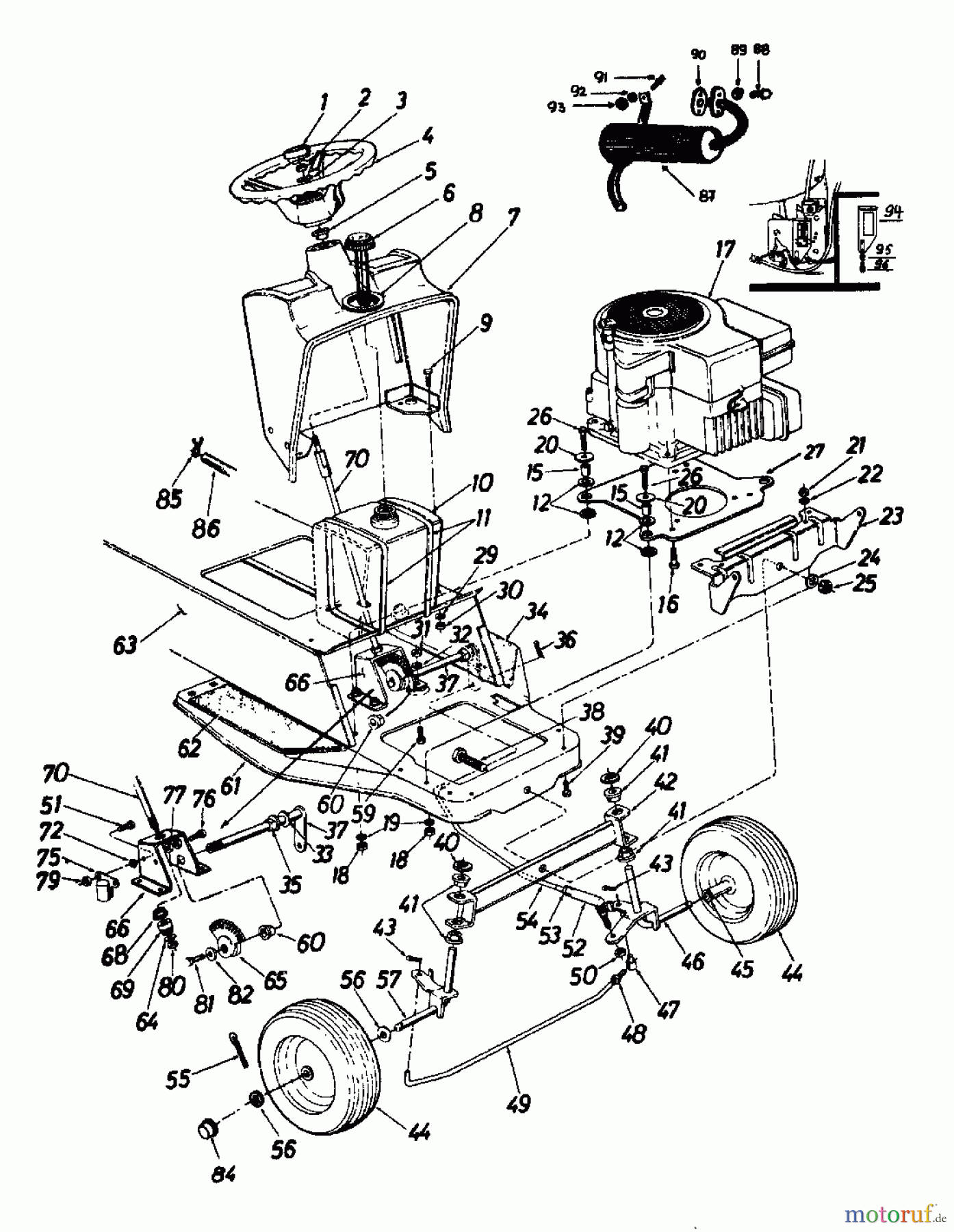
Columbia RD 11/660 130-5240 (1990) Vorderachse Ersatzteile
Vorderachse 130-5240 (1990)

Hier finden Sie die Ersatzteilzeichnung für Columbia Rasentraktoren RD 11/660 130-5240 (1990) Vorderachse. Wählen Sie das benötigte Ersatzteil aus der Ersatzteilliste Ihres Columbia Gerätes aus und bestellen Sie einfach online. Viele Columbia Ersatzteile halten wir ständig in unserem Lager für Sie bereit.
Häufig benötigte Columbia RD 11/660 130-5240 (1990) Vorderachse Ersatzteile

Artikelnummer: 741-0490
Suche nach: 741-0490
Hersteller: MTD
Columbia Ersatzteil Vorderachse
Suche nach: 741-0490
Hersteller: MTD
Columbia Ersatzteil Vorderachse
12.38 €
für EU incl. MwSt., zzgl. Versand


Qualitätsmanagement
Informieren Sie uns, wenn Sie einen Fehler gefunden haben.
























