Cub Cadet GTX 2100 14A-3GE-603 (2015) Lenkgetriebe, Lenkrad, Lenksäule Ersatzteile
Lenkgetriebe, Lenkrad, Lenksäule 14A-3GE-603 (2015)

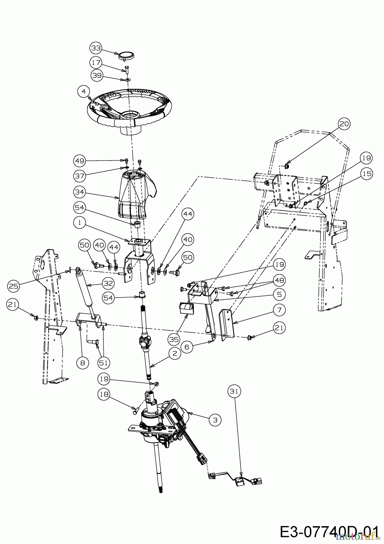
Hier finden Sie die Ersatzteilzeichnung für Cub Cadet Gartentraktoren GTX 2100 14A-3GE-603 (2015) Lenkgetriebe, Lenkrad, Lenksäule. Wählen Sie das benötigte Ersatzteil aus der Ersatzteilliste Ihres Cub Cadet Gerätes aus und bestellen Sie einfach online. Viele Cub Cadet Ersatzteile halten wir ständig in unserem Lager für Sie bereit.


Qualitätsmanagement
Informieren Sie uns, wenn Sie einen Fehler gefunden haben.

















