Columbia RD 11/660 139-5240 (1989) Fahrantrieb, Motorkeilriemenscheibe, Pedal, Räder hinten Ersatzteile
Fahrantrieb, Motorkeilriemenscheibe, Pedal, Räder hinten 139-5240 (1989)

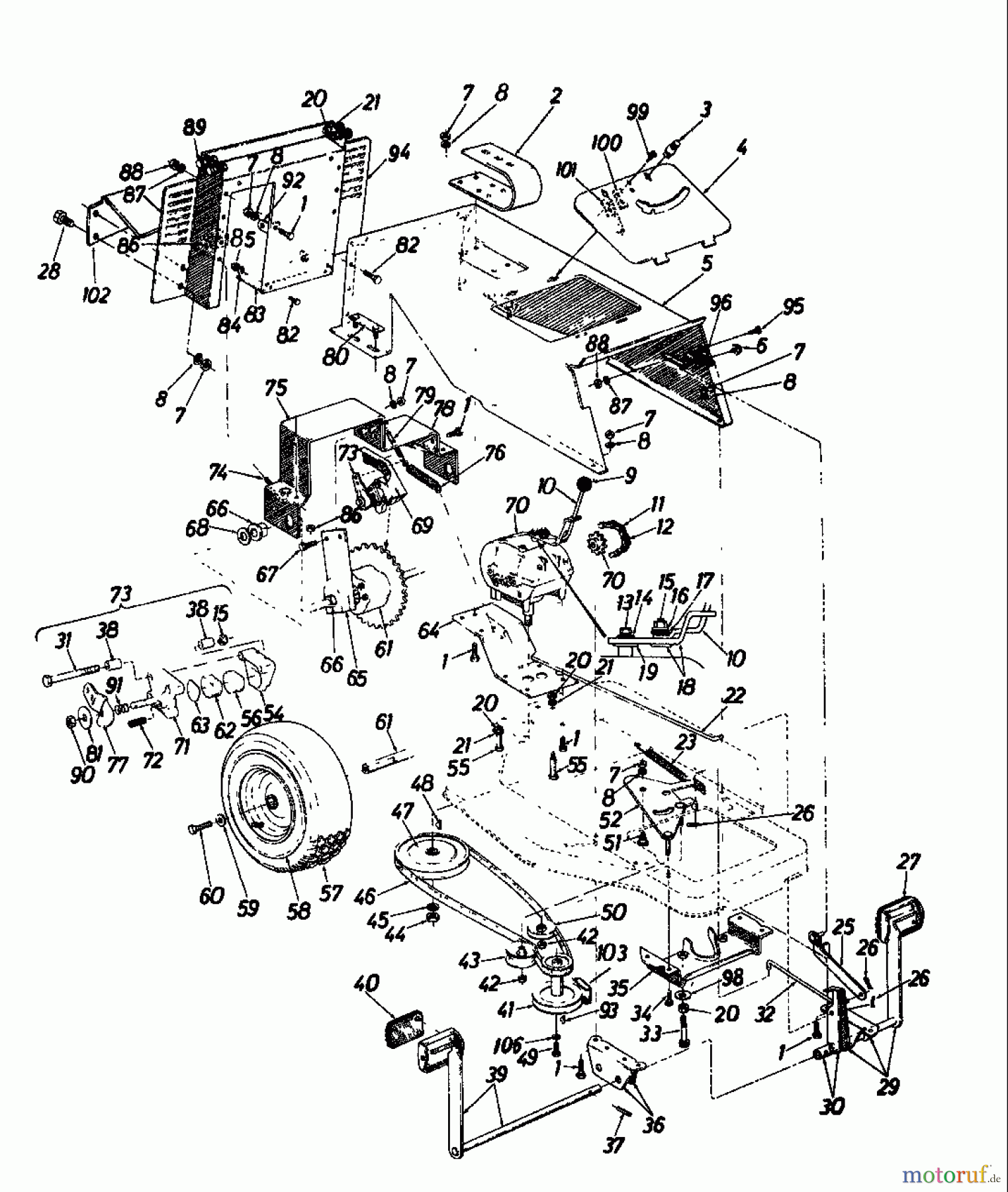
Hier finden Sie die Ersatzteilzeichnung für Columbia Rasentraktoren RD 11/660 139-5240 (1989) Fahrantrieb, Motorkeilriemenscheibe, Pedal, Räder hinten. Wählen Sie das benötigte Ersatzteil aus der Ersatzteilliste Ihres Columbia Gerätes aus und bestellen Sie einfach online. Viele Columbia Ersatzteile halten wir ständig in unserem Lager für Sie bereit.


Qualitätsmanagement
Informieren Sie uns, wenn Sie einen Fehler gefunden haben.





















