Columbia RD 11/660 138-5240 (1988) Fahrantrieb, Motorkeilriemenscheibe, Pedal, Räder hinten Ersatzteile
Fahrantrieb, Motorkeilriemenscheibe, Pedal, Räder hinten 138-5240 (1988)

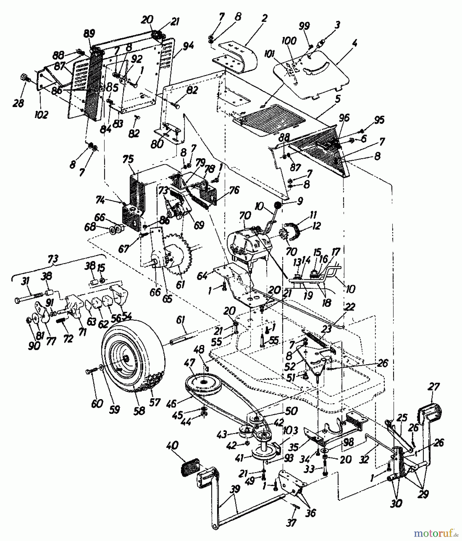
Hier finden Sie die Ersatzteilzeichnung für Columbia Rasentraktoren RD 11/660 138-5240 (1988) Fahrantrieb, Motorkeilriemenscheibe, Pedal, Räder hinten. Wählen Sie das benötigte Ersatzteil aus der Ersatzteilliste Ihres Columbia Gerätes aus und bestellen Sie einfach online. Viele Columbia Ersatzteile halten wir ständig in unserem Lager für Sie bereit.
Häufig benötigte Columbia RD 11/660 138-5240 (1988) Fahrantrieb, Motorkeilriemenscheibe, Pedal, Räder hinten Ersatzteile

Artikelnummer: 741-0199
Suche nach: 741-0199
Hersteller: MTD
Columbia Ersatzteil Fahrantrieb, Motorkeilriemenscheibe, Pedal, Räder hinten
Suche nach: 741-0199
Hersteller: MTD
Columbia Ersatzteil Fahrantrieb, Motorkeilriemenscheibe, Pedal, Räder hinten
12.38 €
für EU incl. MwSt., zzgl. Versand

Artikelnummer: 754-0198
Suche nach: 754-0198
Hersteller: MTD
Columbia Ersatzteil Fahrantrieb, Motorkeilriemenscheibe, Pedal, Räder hinten
Suche nach: 754-0198
Hersteller: MTD
Columbia Ersatzteil Fahrantrieb, Motorkeilriemenscheibe, Pedal, Räder hinten
32.76 €
für EU incl. MwSt., zzgl. Versand


Qualitätsmanagement
Informieren Sie uns, wenn Sie einen Fehler gefunden haben.





















