Columbia RD 11/660 137-5240 (1987) Vorderachse Ersatzteile
Vorderachse 137-5240 (1987)

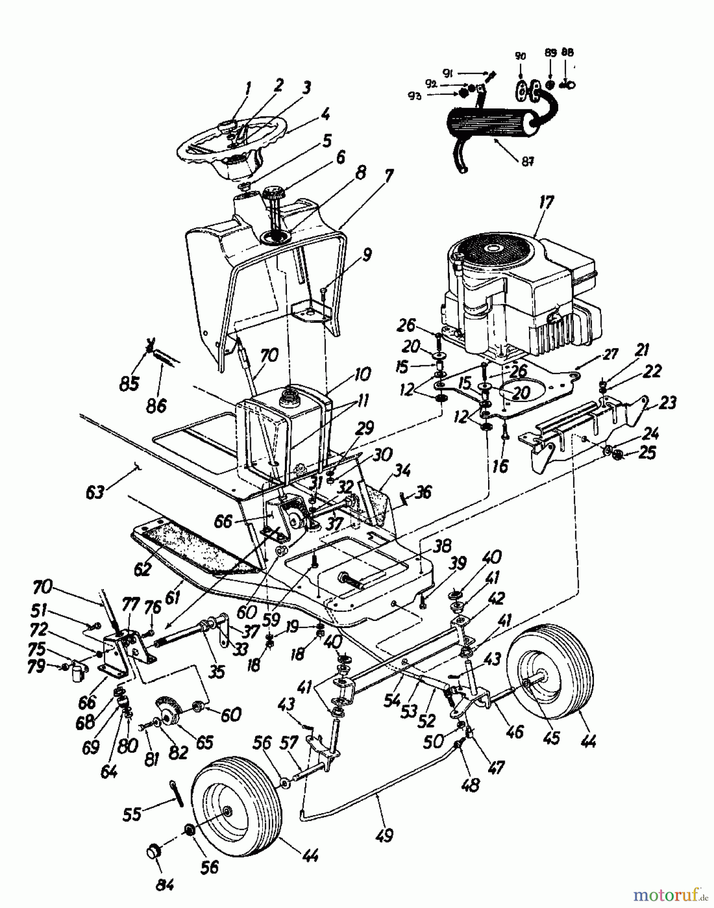
Hier finden Sie die Ersatzteilzeichnung für Columbia Rasentraktoren RD 11/660 137-5240 (1987) Vorderachse. Wählen Sie das benötigte Ersatzteil aus der Ersatzteilliste Ihres Columbia Gerätes aus und bestellen Sie einfach online. Viele Columbia Ersatzteile halten wir ständig in unserem Lager für Sie bereit.
























