Columbia RD 10/660 SL 136-5290 (1986) Fahrantrieb, Motorkeilriemenscheibe, Pedal, Räder hinten Ersatzteile
Fahrantrieb, Motorkeilriemenscheibe, Pedal, Räder hinten 136-5290 (1986)

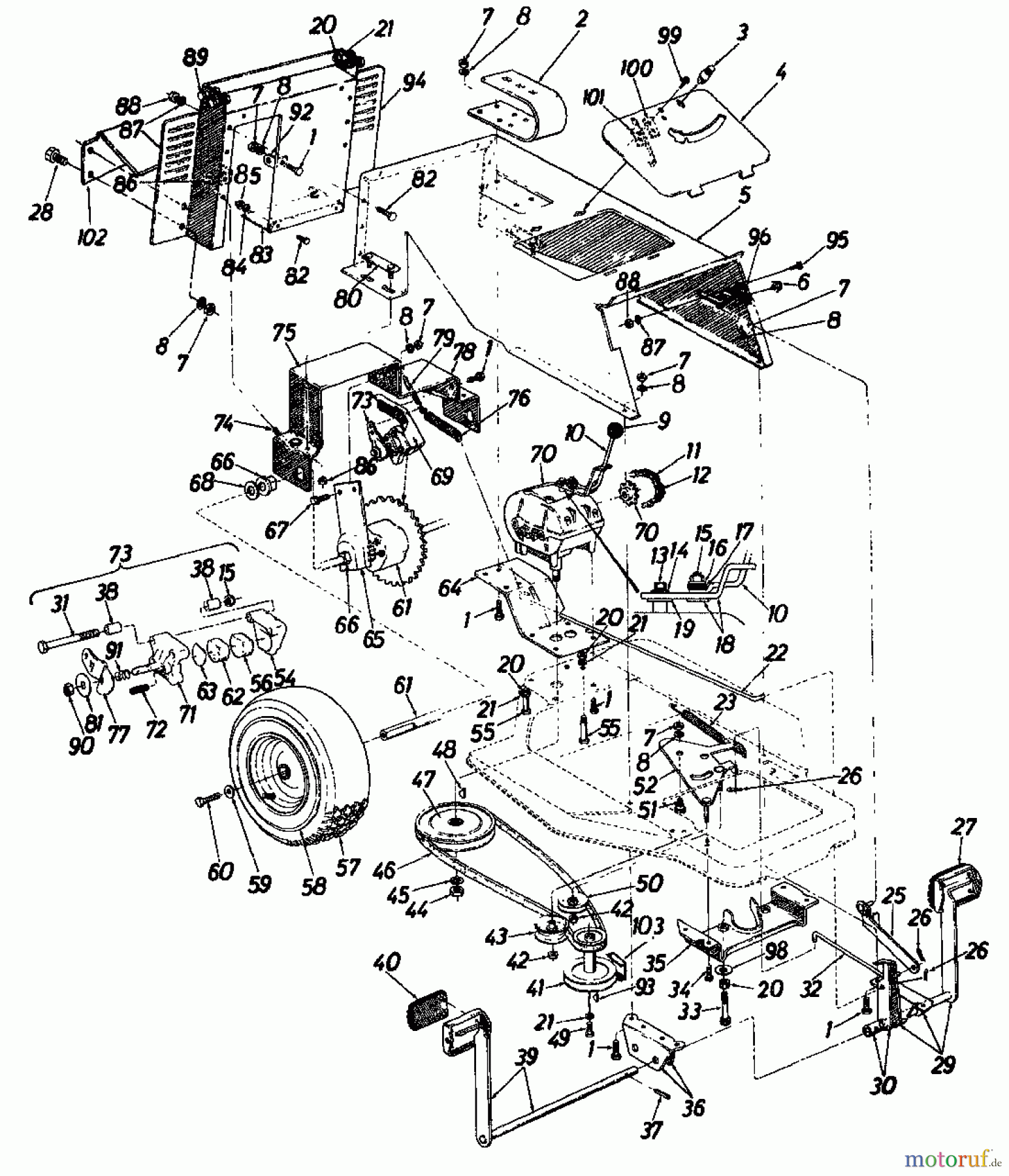
Hier finden Sie die Ersatzteilzeichnung für Columbia Rasentraktoren RD 10/660 SL 136-5290 (1986) Fahrantrieb, Motorkeilriemenscheibe, Pedal, Räder hinten. Wählen Sie das benötigte Ersatzteil aus der Ersatzteilliste Ihres Columbia Gerätes aus und bestellen Sie einfach online. Viele Columbia Ersatzteile halten wir ständig in unserem Lager für Sie bereit.


Qualitätsmanagement
Informieren Sie uns, wenn Sie einen Fehler gefunden haben.




















