Yard-Man YM 7195 DE 31AT7Q3G643 (2003) Fräsgehäuse, Schnecke, Schneckenantrieb Ersatzteile
Fräsgehäuse, Schnecke, Schneckenantrieb 31AT7Q3G643 (2003)

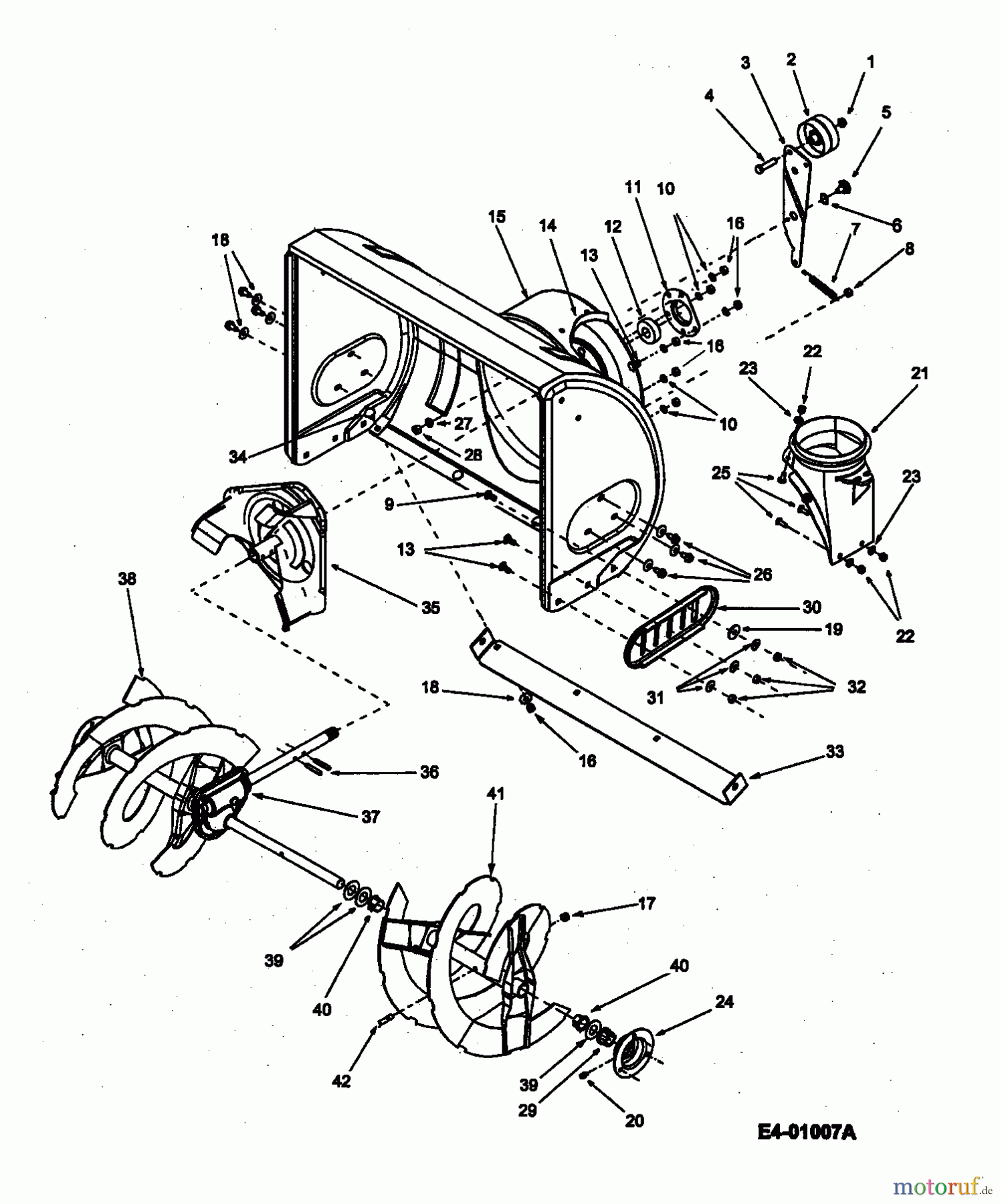
Hier finden Sie die Ersatzteilzeichnung für Yard-Man Schneefräsen YM 7195 DE 31AT7Q3G643 (2003) Fräsgehäuse, Schnecke, Schneckenantrieb. Wählen Sie das benötigte Ersatzteil aus der Ersatzteilliste Ihres Yard-Man Gerätes aus und bestellen Sie einfach online. Viele Yard-Man Ersatzteile halten wir ständig in unserem Lager für Sie bereit.




















