Yard-Man HG 6180 13AT614G643 (2004) Mähwerkseinschaltung, Motorkeilriemenscheibe Ersatzteile
Mähwerkseinschaltung, Motorkeilriemenscheibe 13AT614G643 (2004)

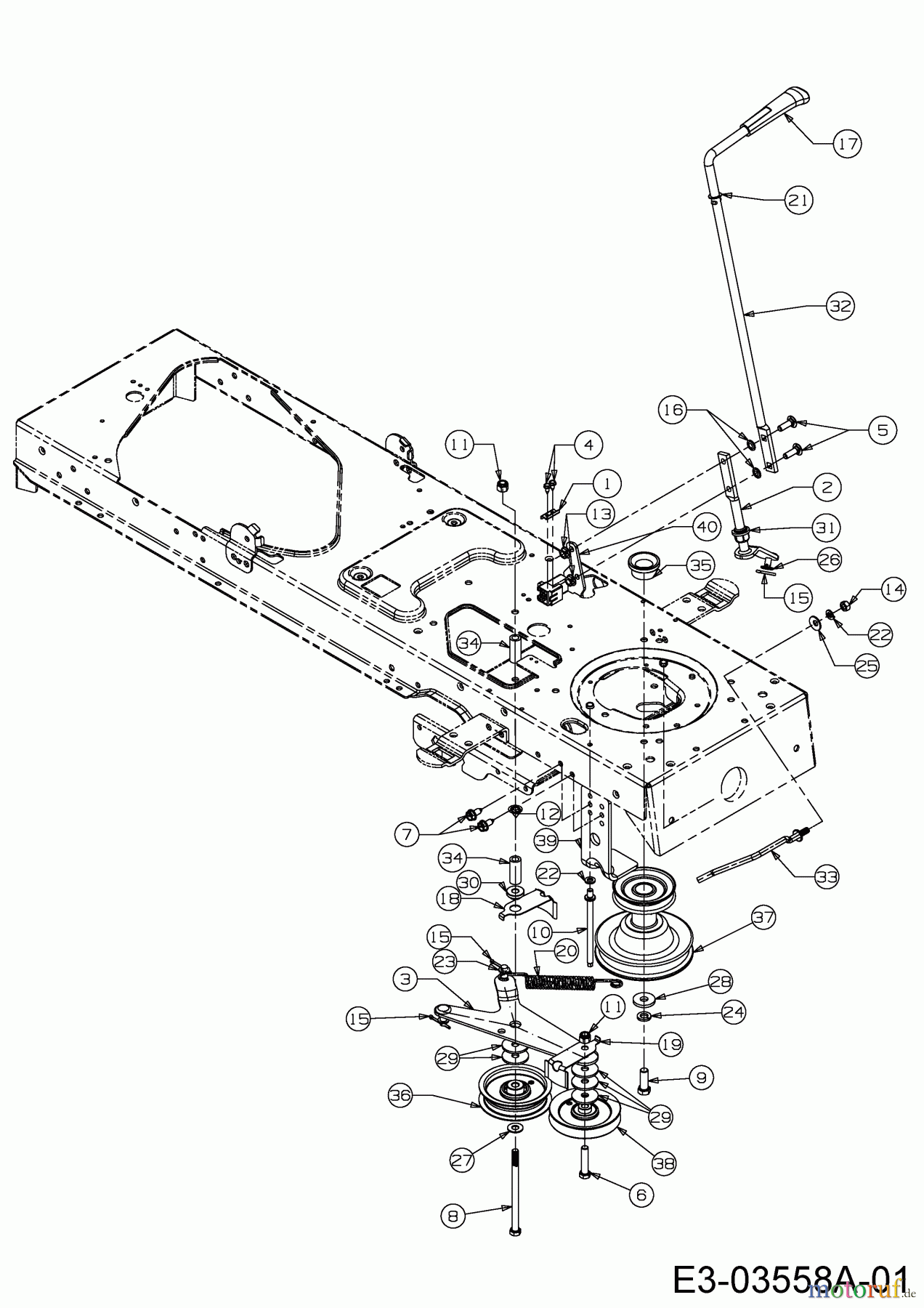
Hier finden Sie die Ersatzteilzeichnung für Yard-Man Rasentraktoren HG 6180 13AT614G643 (2004) Mähwerkseinschaltung, Motorkeilriemenscheibe. Wählen Sie das benötigte Ersatzteil aus der Ersatzteilliste Ihres Yard-Man Gerätes aus und bestellen Sie einfach online. Viele Yard-Man Ersatzteile halten wir ständig in unserem Lager für Sie bereit.


Qualitätsmanagement
Informieren Sie uns, wenn Sie einen Fehler gefunden haben.




















