Yard-Man 604 H 13BT604H755 (2007) Schaltplan Ersatzteile
Schaltplan 13BT604H755 (2007)

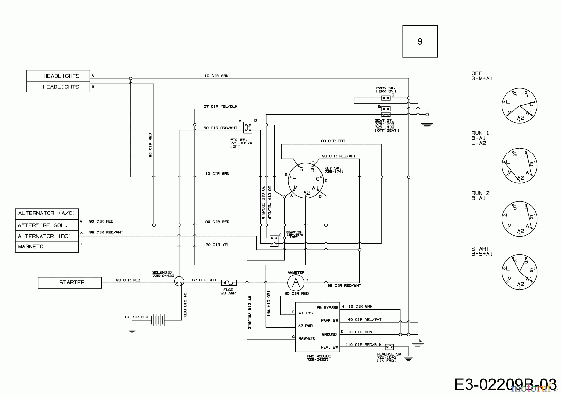
Hier finden Sie die Ersatzteilzeichnung für Yard-Man Rasentraktoren 604 H 13BT604H755 (2007) Schaltplan. Wählen Sie das benötigte Ersatzteil aus der Ersatzteilliste Ihres Yard-Man Gerätes aus und bestellen Sie einfach online. Viele Yard-Man Ersatzteile halten wir ständig in unserem Lager für Sie bereit.
| BildNr | Artikel Nummer | Bezeichnung | |
| 9 | 725-04411 | KABELSTRANG | |



